EasyManua.ls Logo

BRP EXPEDITION - Page 172

BRP EXPEDITION
502 pages
Print Icon
To Next Page IconTo Next Page
To Next Page IconTo Next Page
To Previous Page IconTo Previous Page
To Previous Page IconTo Previous Page
Loading...
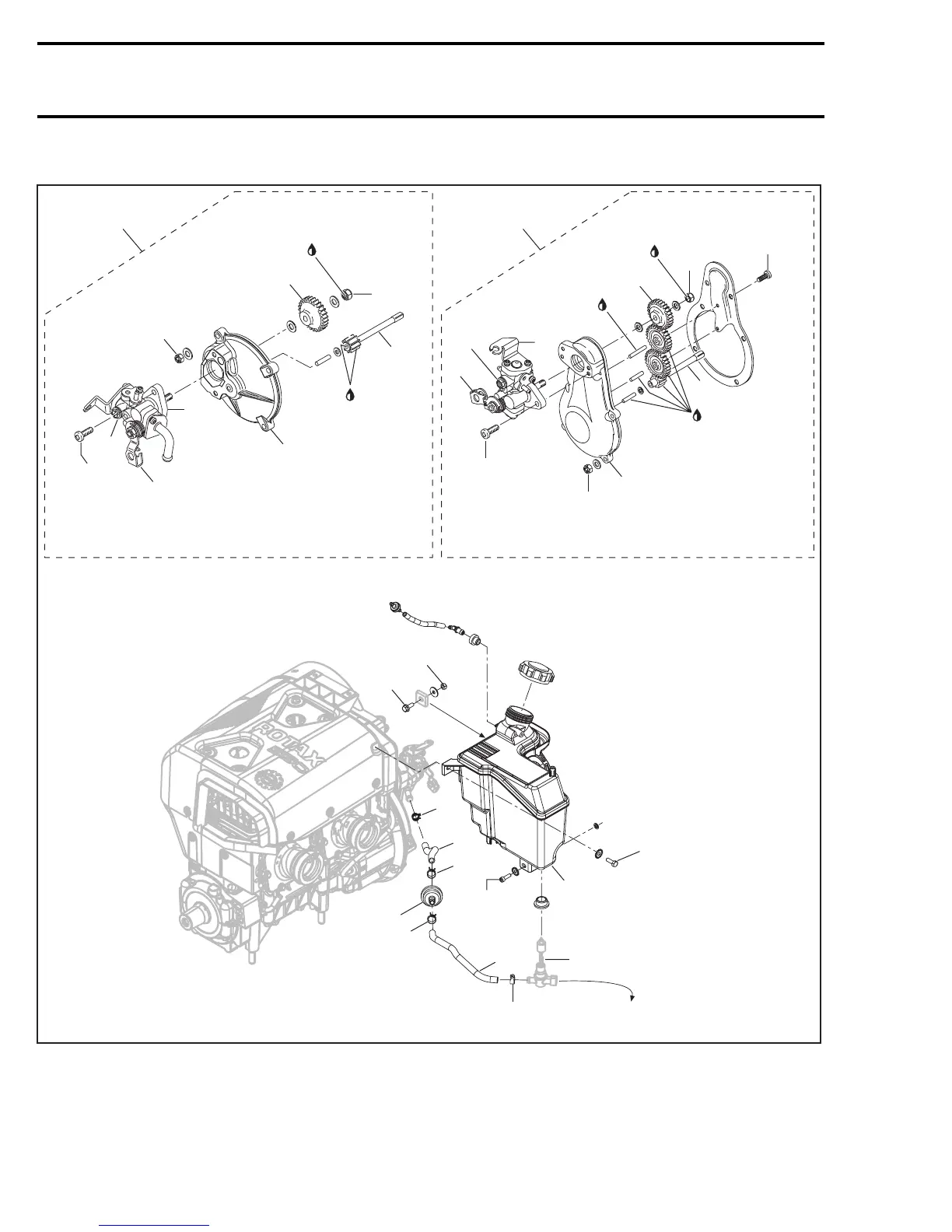
Section 03 ENGINES
Subsection 10 (OIL INJECTION SYSTEM)
Fan-cooled Models
A33C3WS
16
552 engines
Loctite 243
4 Nm
(35 lbfin)
13
13
1
5 Nm
(44 lbfin)
5 Nm
(44 lbfin)
Molykote 111
20
4
3
14
15
17
18
4 Nm
(35 lbfin)
Molykote 111
Molykote 111
Loctite 243
5 Nm
(44 lbfin)
16
5 Nm
(44 lbfin)
14
18
15
17
377 engines
3
20
4
5 Nm
(44 lbfin)
7
11
2
12
6
19
19
10
5 Nm
(44 lbfin)
9
5 Nm
(44 lbfin)
19
19
See electrical system
156 mmr2005-076

Table of Contents

Related product manuals