EasyManua.ls Logo

Bryant 569C - Power Wiring Connections; Field Power Wiring Guidelines; Control Voltage Connections; Thermostat Installation

Bryant 569C
20 pages
Print Icon
To Next Page IconTo Next Page
To Next Page IconTo Next Page
To Previous Page IconTo Previous Page
To Previous Page IconTo Previous Page
Loading...
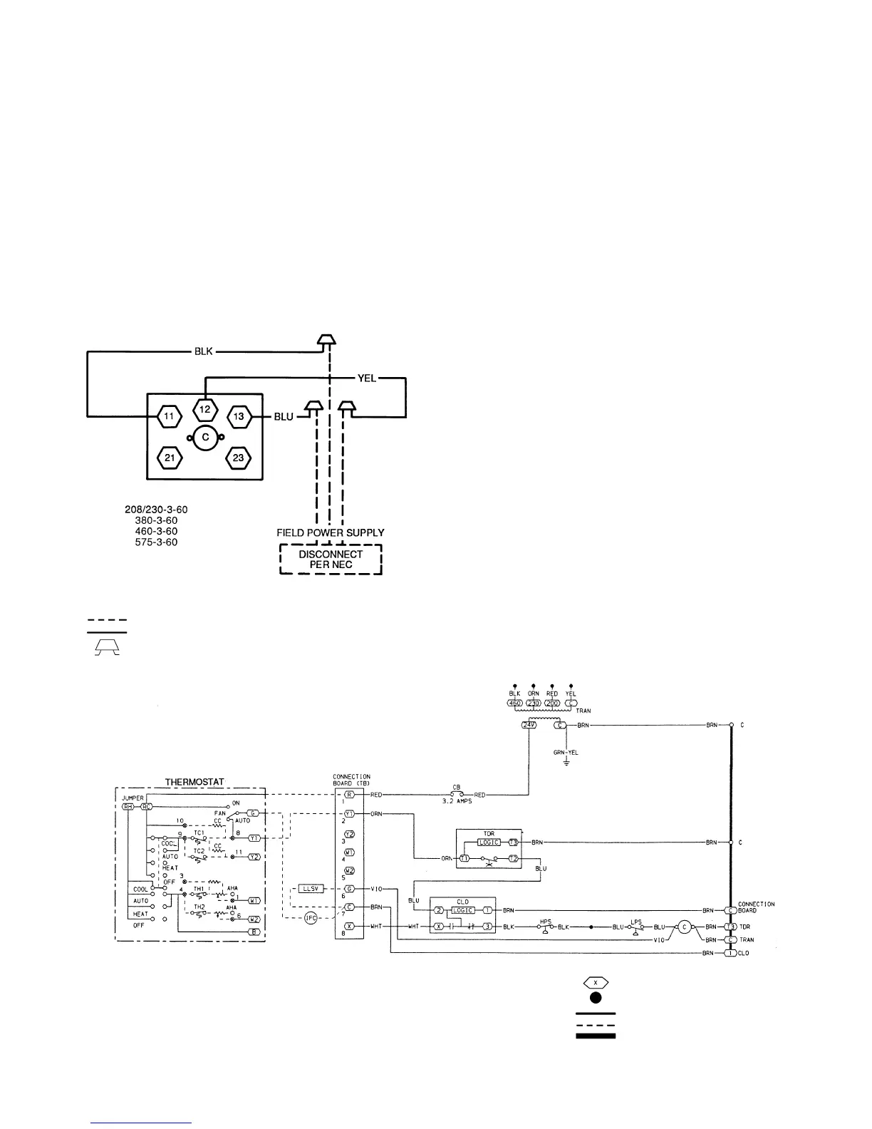
All units except 208/230-v units are factory wired for the volt-
age shown on the nameplate. If the 208/230-v unit is to be
connected to a 208-v power supply, the transformer must be
rewired by moving the black wire from the 230-v orange wire
on the transformer and connecting it to the 200-v red wire
from the transformer. The end of the orange wire must then
be insulated.
Refer to unit label diagram for additional information. Pig-
tails are provided for field wire connections. Use factory-
supplied splices or UL (Underwriters’ Laboratories) approved
copper/aluminum connector.
When installing units, provide a disconnect per NEC.
All field wiring must comply with NEC and local
requirements.
Install field wiring as follows:
1. Install conduit through side panel openings.
2. Install power lines to terminal connections as shown in
Fig. 6.
B. Control Voltage Connections
Install an accessory thermostat assembly according to instal-
lation instructions included with the accessory. Locate ther-
mostat assembly on a solid wall in the conditioned space to
sense average temperature in accordance with thermostat
installation instructions.
Route thermostat cable or equivalent single leads of colored
wire from subbase terminals to low-voltage connections on
unit (shown in Fig. 7) as described in Steps 1 through 4
below.
NOTE: Refer to Table 5 for wire conversion information.
NOTE: For wire runs up to 50 ft (15.2 m), use no. 18 AWG
(0.82 mm) insulated wire (35 C minimum). For 50 to 75 ft
(15.2 to 22.9 m), use no. 16 AWG (1.30 mm) insulated wire
(35 C minimum). For over 75 ft (22.9 m), use no. 14 AWG
(2.08 mm) insulated wire (35 C minimum). All wire larger
than no. 18 AWG (0.82 mm) cannot be directly connected to
the thermostat and will require a junction box and splice at
the thermostat.
1. Connect thermostat wires to screw terminals of low volt-
age connection board.
2. Pass the control wires through the hole provided in the
corner post. See Fig. 8.
3. Feed wire through raceway built into the corner post
and into the 24-v thermostat connection board. The 24-v
thermostat connection is located on the left side of the
low voltage connection compartment. The raceway pro-
vides the UL required clearance between the high- and
low-voltage wiring.
4. Total combined amperage draw of the field-installed liq-
uid line solenoid valve and indoor fan contactor must
not exceed 22 va. If the specified va must be exceeded,
use a remote relay to switch the load.
LEGEND
C—Contactor
NEC National Electrical Code (U.S.A. Standard)
Field Wiring
Factory Wiring
Splice Connection (Factory Supplied)
Fig. 6 Power Wiring Connections
LEGEND
AHA Adjustable Heat Anticipator
C—Contactor, Compressor
CB Circuit Breaker
CC Cooling Compensator
CLO Compressor Lockout
HPS High-Pressure Switch
IFC Indoor (Evaporator) Fan Contactor
Fig.7—Typical Control Wiring Connections (569C Shown)
LLSV Liquid Line Solenoid Valve
LPS Low-Pressure Switch
TB Terminal Block
TC Thermostat-Cooling
TDR Time-Delay Relay
TH Thermostat-Heating
TRAN Transformer
Terminal (Marked)
Splice
Factory Wiring
Field Control Wiring
To Indicate Common Potential Only,
Not To Represent Wiring
—7—

Related product manuals