EasyManua.ls Logo

Bticino Audio Kit - Page 36

Bticino Audio Kit
40 pages
Print Icon
To Next Page IconTo Next Page
To Next Page IconTo Next Page
To Previous Page IconTo Previous Page
To Previous Page IconTo Previous Page
Loading...
36
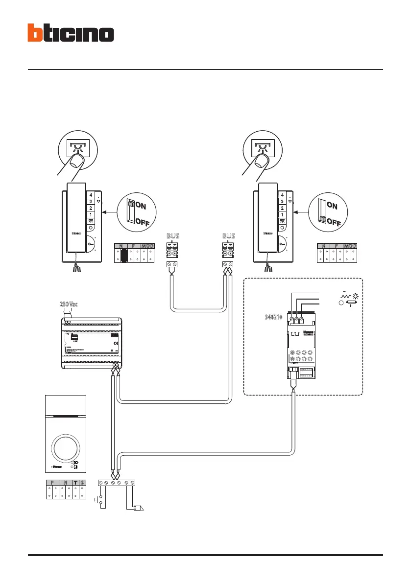
· Comando luci scale
· Staircase light control
· Commande lumières escaliers
· Treppenlichtsteuerung
· Mando luces escaleras
· Bediening lichten trapzaal
· Comando das luzes da escada
* • Il secondo posto interno ed il configuratore 3501/1 devono essere acquistati separatemente.
• The second internal unit and the 3501/1 configurator must be purchased separately.
• Le deuxième poste interne et le configurateur 3501/1 doivent être achetés séparément.
• Die zweite Hausstation und der Konfigurator 3501/1 werden getrennt verkauft.
• La segunda unidad interior y el configurador 3501/1 se han de comprar por separado.
• De tweede binnenpost en de configurator 3501/1 moeten apart worden gekocht.
• A segunda unidade interna e o configurador 3501/1 devem ser adquiridos separadamente.
346210
MODP
N
BUS
MODP
N
BUS
1
2
3
1 32
346210
1
C
NO
NC
230V
2A
cos =0,5
6A
M
230 Vac
346040
PRI 110 - 240 V 50 - 60 Hz 370 mA - 225 mA
BUS 26.0 V 600 mA BUS
PRI
PRI
BUS
T SN
P
BUS
PL S+
S-
A
*
*