EasyManua.ls Logo

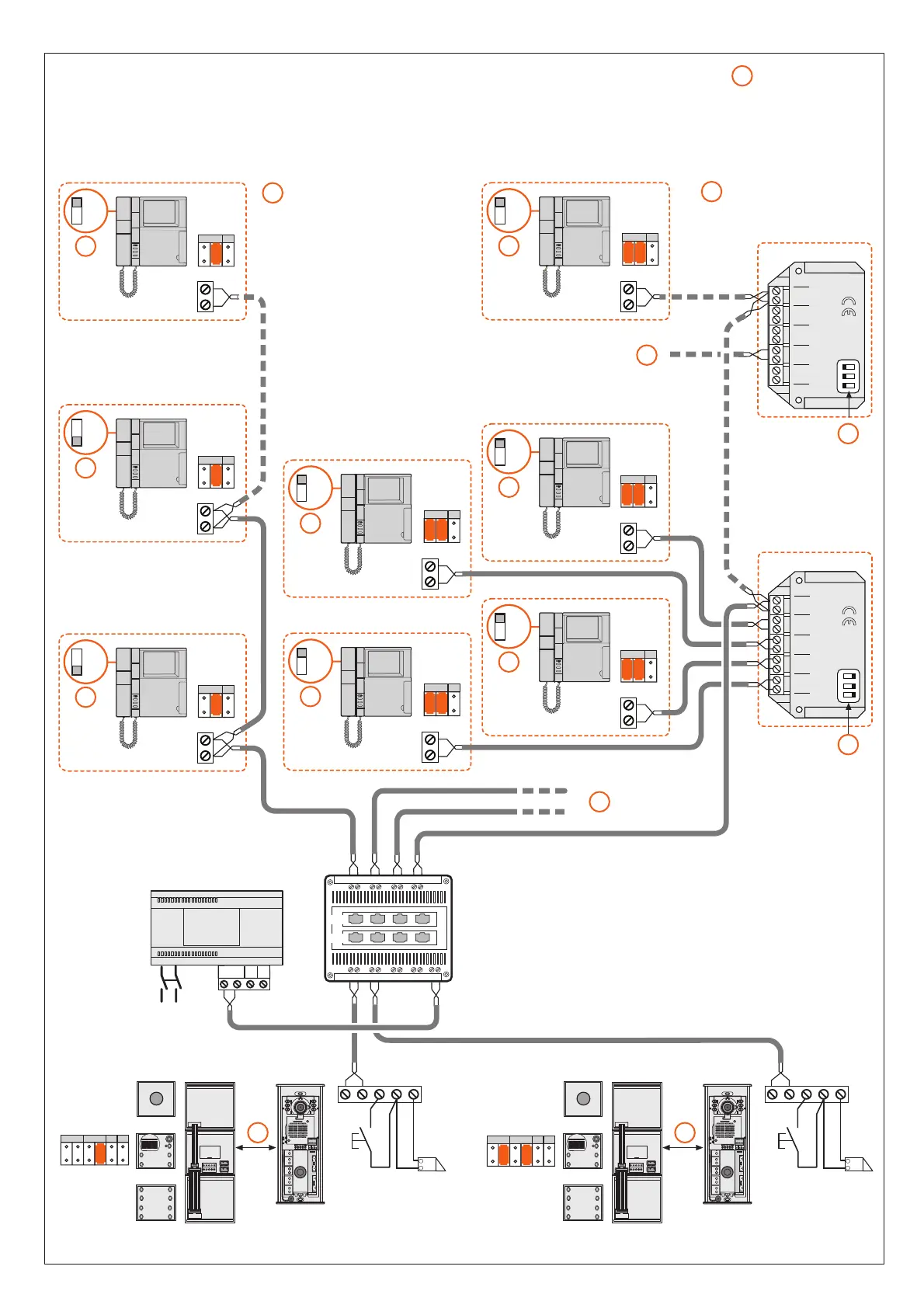
Bticino F441 - Multi-Family System Installation (1;2 External Units); System Configuration Example; Riser Wiring and Distribution

Bticino F441
6 pages
Print Icon
To Next Page IconTo Next Page
To Next Page IconTo Next Page
To Previous Page IconTo Previous Page
To Previous Page IconTo Previous Page
Loading...
1
N
P
8
BUS
344102
C
ON
1
BUS
344102
C
ON
N
P
1 6
N
P
1
7
BUS
344102
C
ON
N
P
1 5
BUS
344102
C
ON
BUS
344102
C
ON
N
P
1 4
6
342510
342240
342170
IN
OUT
PI P2 P3 P4
OFF
ON
IN
OUT
PI P2 P3 P4
OFF
ON
346840
346840
PE/S
BUS
PL S+
S-
PS
S1
D
D
A
P
1
NTS
P
1
NTS
1
PI P2 P3
PI P2 P3
SCS
OUT1
OUT
OUT2 OUT3 OUT4
IN
IN1
IN2
IN3
IN4
BUS
344102
N
P
1
C
OFF
BUS
344102
N
P
2
C
OFF
BUS
344102
N
P
4
C
ON
PE/M
342708
342704
G
A
342510
342240
342170
PE/S
BUS PL S+ S-
PS
S1
PE/M
342708
342704
G
BUS
2
1
346000
230V~
F441
B
Impianto plurifamiliare con 1/2 posti esterni - 32/24 posti interni, 4 montanti
Mehrfamilienanlage mit 1/2 Türstationen - 32/24 Hausstationen, 4 Steigleitungen
Installation plurifamiliale à 1/2 postes extérieurs - 32/24 postes internes, 4 colonnes montantes.
Multi-family system with 1/2 entrance panels- 32/24 internal units, 4 risers.
Instalación plurifamiliar con 1/2 puestos exteriores - 32/24 puestos interiores, 4 montantes.
Instalação plurifamiliar com 1/2 unidades externas – 32/234 unidades internas, 4 montantes.
H
A