EasyManua.ls Logo

Buhler 2595 - Page 29

Buhler 2595
48 pages
Print Icon
To Next Page IconTo Next Page
To Next Page IconTo Next Page
To Previous Page IconTo Previous Page
To Previous Page IconTo Previous Page
Loading...
bühler
Allied Front-End Loader
- 27 - P4094
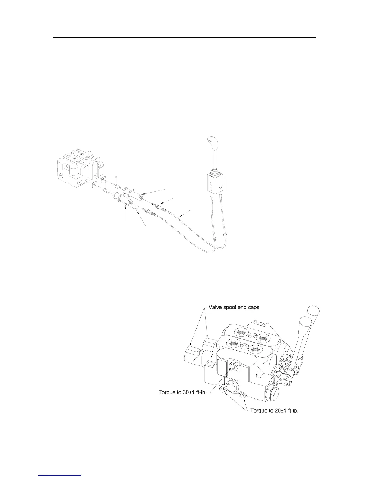
On valves fitted with joystick cables loosen off jam nut and cable sleeves to gain
access to the valve spool. Clean all debris and any existing corrosion. Spray
areas with a light corrosion resistant lubricant. Re-mount cables sleeves and
adjust so that joystick is centered in both axis to the base. Lock cable sleeve by
using the jam nut. Note: In severe cold weather climates, inspect and maintain
the valve and joystick cables before cold weather.
Screw
Lock
Washer
Jam Nut
Cable Sleeve
Cable

Related product manuals