EasyManua.ls Logo

CAB RB.400 - Page 39

Default Icon
Print Icon
To Next Page IconTo Next Page
To Next Page IconTo Next Page
To Previous Page IconTo Previous Page
To Previous Page IconTo Previous Page
Loading...
68
1
6
7
6
3
2
4
5
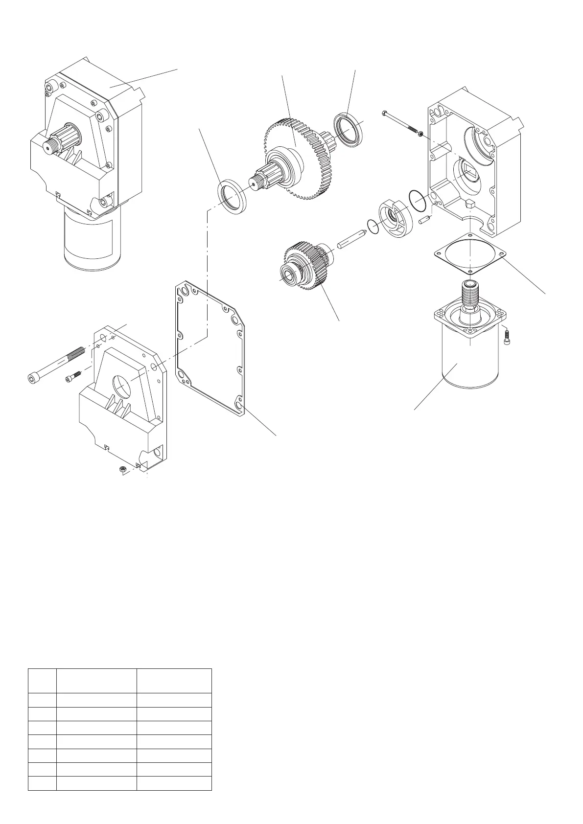
Ref.
RB.400 / RB.500
Code
Note
1
9686110
2
9686112
3
9686111
4
968601407
5
9686109
6
9686555
7
968601408