EasyManua.ls Logo

CAB SUPERBE SR1.60 - Page 5

CAB SUPERBE SR1.60
14 pages
Print Icon
To Next Page IconTo Next Page
To Next Page IconTo Next Page
To Previous Page IconTo Previous Page
To Previous Page IconTo Previous Page
Loading...
5
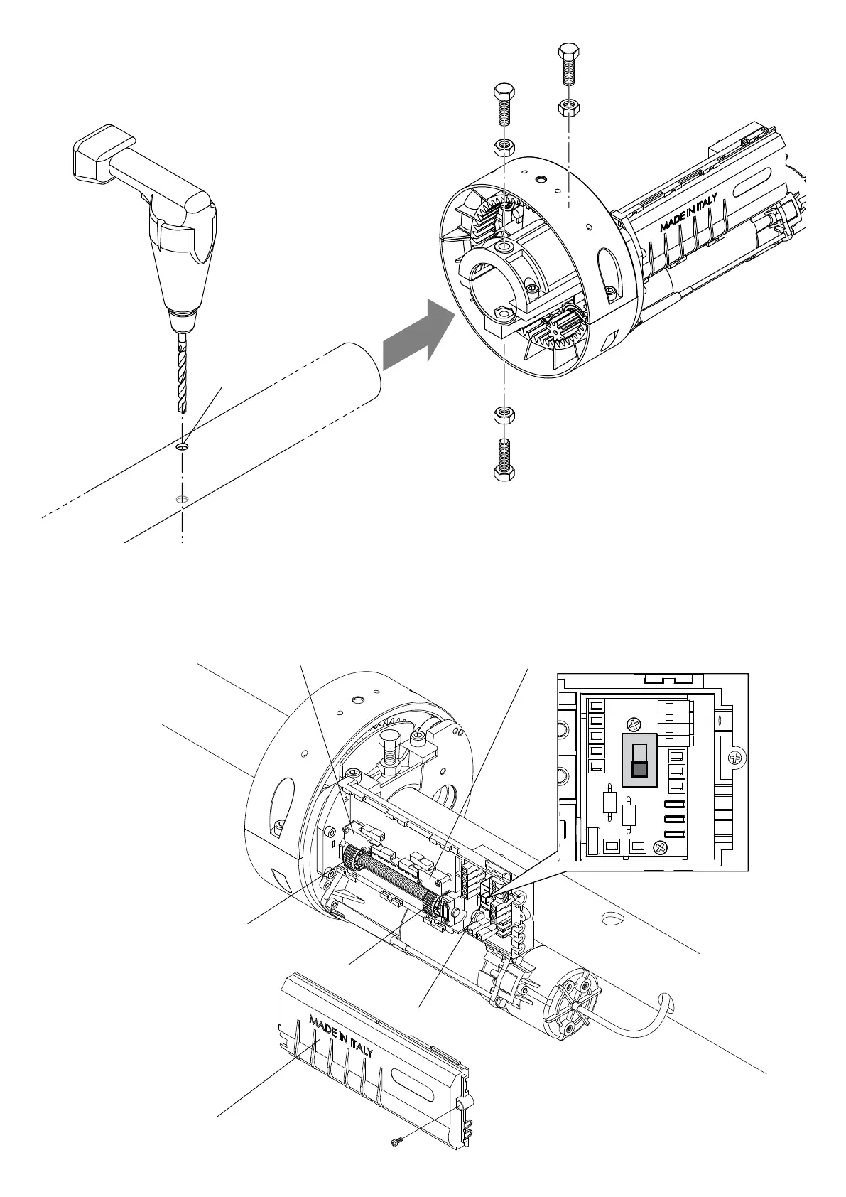
Fig.1b
Ø10,5mm
1
2
3
Finecorsa di apertura (funzionamento automatico).
Opening limit switch (automatic working).
Fin de course d’ouverture (fonctionnement automatique).
Final de carrera de apertura (funcionamiento automático).
Finecorsa di chiusura (funzionamento automatico).
Closing limit switch (automatic working).
Fin de course de fermeture (fonctionnement automatique).
Final de carrera de cierre (funcionamiento automático).
Coperchio.
Cover.
Couvercle.
Tapa.
ON
OFF
Apertura.
Open.
Ouverture.
Abre.
Comune.
Common.
Commun.
Común.
Terra.
Earth.
T
erre.
Tierra.
Elettrofreno.
Electrobrake.
Electrofrein.
Electrofreno.
Chiusura.
Close.
Fermeture.
Cierra.
Fig.2