EasyManua.ls Logo

CABASSE EOLE 3 - Page 4

CABASSE EOLE 3
Print Icon
To Next Page IconTo Next Page
To Next Page IconTo Next Page
To Previous Page IconTo Previous Page
To Previous Page IconTo Previous Page
Loading...
f r a n c a i s
d e u t s c he n g l i s h c h i n e s e
LA VERSION IN CEILING DU SATELLITE EOLE
The In Celling version of the Eole speaker
Die Deckeeinbau Version des Eole Satelliten
Eole音箱的天花安装版本。
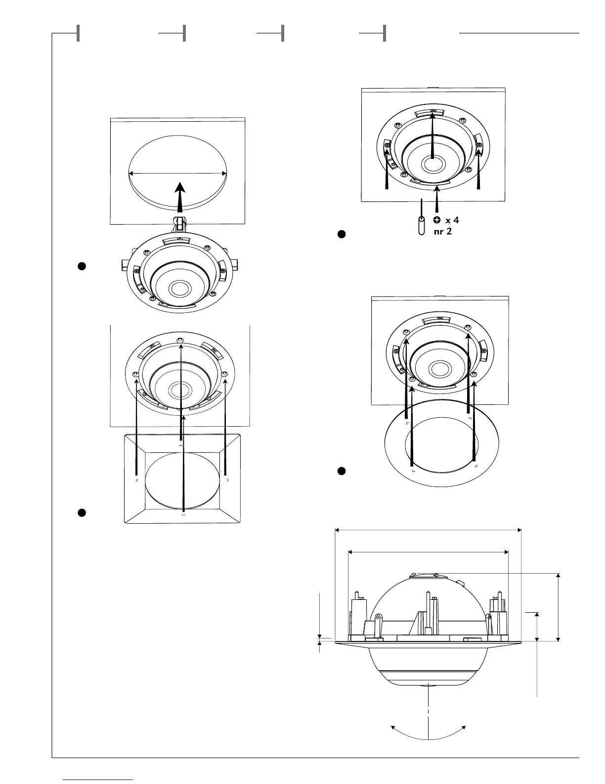
Montage des enjoliveurs : positionner les aimants de l’enjoli-
veur et de la couronne face à face. Pour l’enjoliveur carré, avant
le serrage des vis de fixation murales, vérifier que la disposition
des aimants de la couronne donnera bien le positionnement
souhaité pour l’enjoliveur.
Assembling the caps : the magnets on the cap and on the
frame of the Eole 2 must be facing each other. When using the
square cap, check before tightening the screws of the doglegs
that the magnets on the frame are aligned the way they should
be to give the expected result when the cap is on.
Befestigung der Kappen : Die Magneten der Kappe und die
des Halterahmens müssen einander gegenüber angebracht
werden. Beim Anbringen der eckigen Kappe bitte vor dem An-
ziehen der Wandhalterungsschrauben prüfen, ob die Magneten
des Halterahmens richtig positioniert sind, damit die Kappe
wie gewünscht ausgerichtet ist.
组装盖板:盖板表面的磁体和Eole 2音箱外圈的磁体必须
正对安装。安装正方形盖板时,在上紧螺丝之前,需要检
查音箱外圈的磁体准确定位,以确保盖板安装上去之后可
达到理想的效果。
1
2
3
4
Ø 200 mm (7”
7/8
)
Ø 172 mm (6”
3/4
)
+24° -24°
3,6 mm (0”
5/32
) mini
31 mm (1”
7/32
) max
73 mm (2”
7/8
)
Ø 175 mm

Related product manuals