EasyManua.ls Logo

Calorex AW550 - Page 19

Calorex AW550
38 pages
Print Icon
To Next Page IconTo Next Page
To Next Page IconTo Next Page
To Previous Page IconTo Previous Page
To Previous Page IconTo Previous Page
Loading...
Page 18 SD092750 ISSUE 34
CONTROL FUSE
C
S
R
TIMER
DELAY
DEFROST
STAT
HUMIDISTAT
SOFT START
THERMAL
O/LOAD
AND LIGHT
IF FITTED
FLOW
SWITCH
DEFROST
LAMP
INTERLOCK
TERMINALS
FAN O/LOAD
FUSES CONTACTORS
O/LOADS
FAN
COMPRESSOR
HEATER
POOL STAT
N/O CLOSES ON
WATER TEMP RISE
SOLENOID COIL
1 3(4)
HP
SWITCH
LP
SWITCH
FAULT
LAMP
FAN
AUX
O/LOAD
COMPRESSOR
CONTROL FUSE
MAINS LAMP
L2 L1
A B
2 3
5
6
8 9
RELAY
L1 L2
RCU UNIT
L1
RCU CONTROL UNIT
SOLENOID COIL
3
2
AIR STAT
1
L3
COMP AUX ( NC )
COMP AUX
(NO)
SOLENOID COIL
C
B
A
D
FUSE F1
L2
FUSE F2
COMPRESSOR
C
S
R
HEATER
CONTACTOR
CONTACTOR
COIL
DELAY
TIMER
RUN CAP
DEFROST
LAMP
POOL STAT
N/O CLOSES ON
WATER TEMP
RISE
DEFROST
STAT
HUMIDISTAT
SOLENOID COIL
INTER
LOCK
FAULT
LAMP
LP
SWITCH
HP
SWITCH
CONTROL FUSE
FAN FUSE
FAN
FAN
CAP
MAINS LAMP
L1 L2
A B
2 3
5
6
8 9
RELAY
SOLENOID COIL
SOLENOID COIL
L1 L2
RCU UNIT
L1
L2
RCU CONTROL UNIT
RCU FUSE (F1)
RCU FUSE (F2)
3(4)
2
1
AIR
STAT
B
A
C
1
3
5
R
S
C
TIMER
DELAY
DEFROST
STAT
THERMAL
O/LOAD
FAULT
LIGHT IF
INTERLOCK TERMINALS
FUSES
CONTACTORS O/LOADS
FAN
COMPRESSOR
HEATER(S)
POOL
STAT
COIL C
1 2
LP SWITCH
BREAKS TO 'H' ON
PRESSURE FALLING
FAULT
LIGHT
COMPRESSOR
MAINS LIGHT
L2 L1 L3
SOLENOID
3(4)
VALVE
O/LOAD
SOFT START
FITTED
&
STARTER OR
FLOW SWITCH
TRANSFORMER
TRANSFORMER
FUSES
CONTROL
FUSES
415V - 240V 50Hz
460V - 265V 60Hz
FUSE SIZES
TMBLK No. 11,12,21,22 13,14,15 16,17,18
FUSE 3A 10A 35A
OVERLOAD SETTING
COMPRESSOR
FAN
20.4A 3.2A
COMP AUX
(N/C)
DEFROST
LIGHT
SOLENOID
VALVE
COIL D
HUMIDISTAT
1(N/O)
RUN
STANDBY
STANDBY SWITCH
FAN
AUX
FAN O/LOAD
(N/C)L H(N/O)
C(COM)
C(COM)
H(N/C)
(N/O)L
HP
SWITCH
BREAKS TO 'L' ON
PRESSURE RISING
13149695
(N/C) (N/C)
(N/C)
95 96
ALL CONTACTS SHOWN IN DE-ENERGISED STATE BUT WITH REFRIGERATION
CIRCUIT FULLY CHARGED.
WHERE CONTACTS ARE MARKED (N/O) OR (N/C) ON CCT DIAGRAM,
ABOVE CONDITION APPLIES.
D320950
2(N/O) 2
44(N/O)
6(N/O) 6
A1A2
1
3
5
2(N/O) 2
44(N/O)
6(N/O) 6
A1A2
(N/C)
C
L
(COM)2
21 22
4
5
6
7
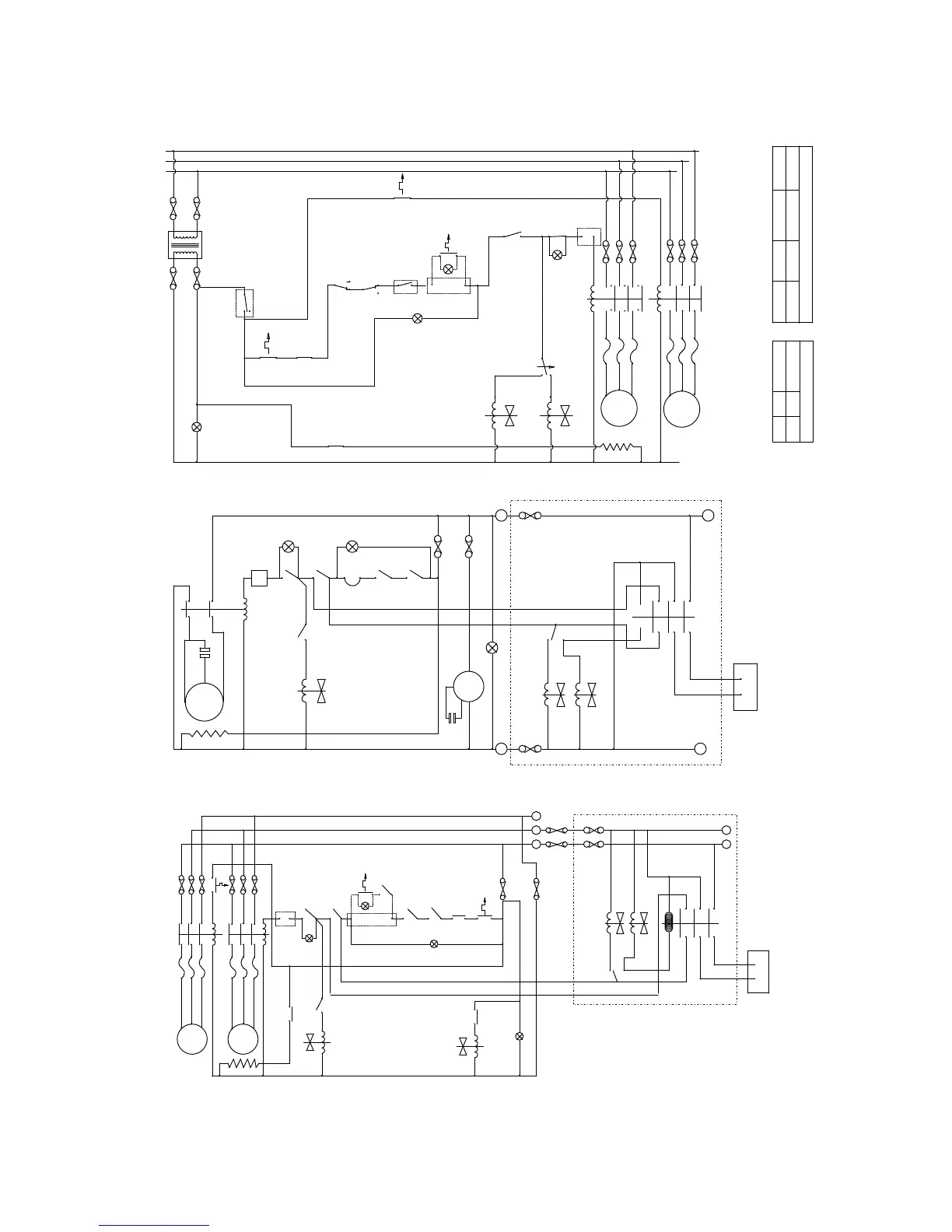
ELECTRICAL CIRCUIT DIAGRAM
AW 4000 THREE PHASE 460V 60Hz (3 ~ )
ELECTRICAL CIRCUIT DIAGRAM
AW 1400/1800 THREE PHASE 230V 60Hz (3 ~ )
ELECTRICAL CIRCUIT DIAGRAM
AC 550/800/1200 SINGLE PHASE 220V 60Hz (1 ~ )