EasyManua.ls Logo

Campomatic D807e - Page 21

Campomatic D807e
45 pages
Print Icon
To Next Page IconTo Next Page
To Next Page IconTo Next Page
To Previous Page IconTo Previous Page
To Previous Page IconTo Previous Page
Loading...
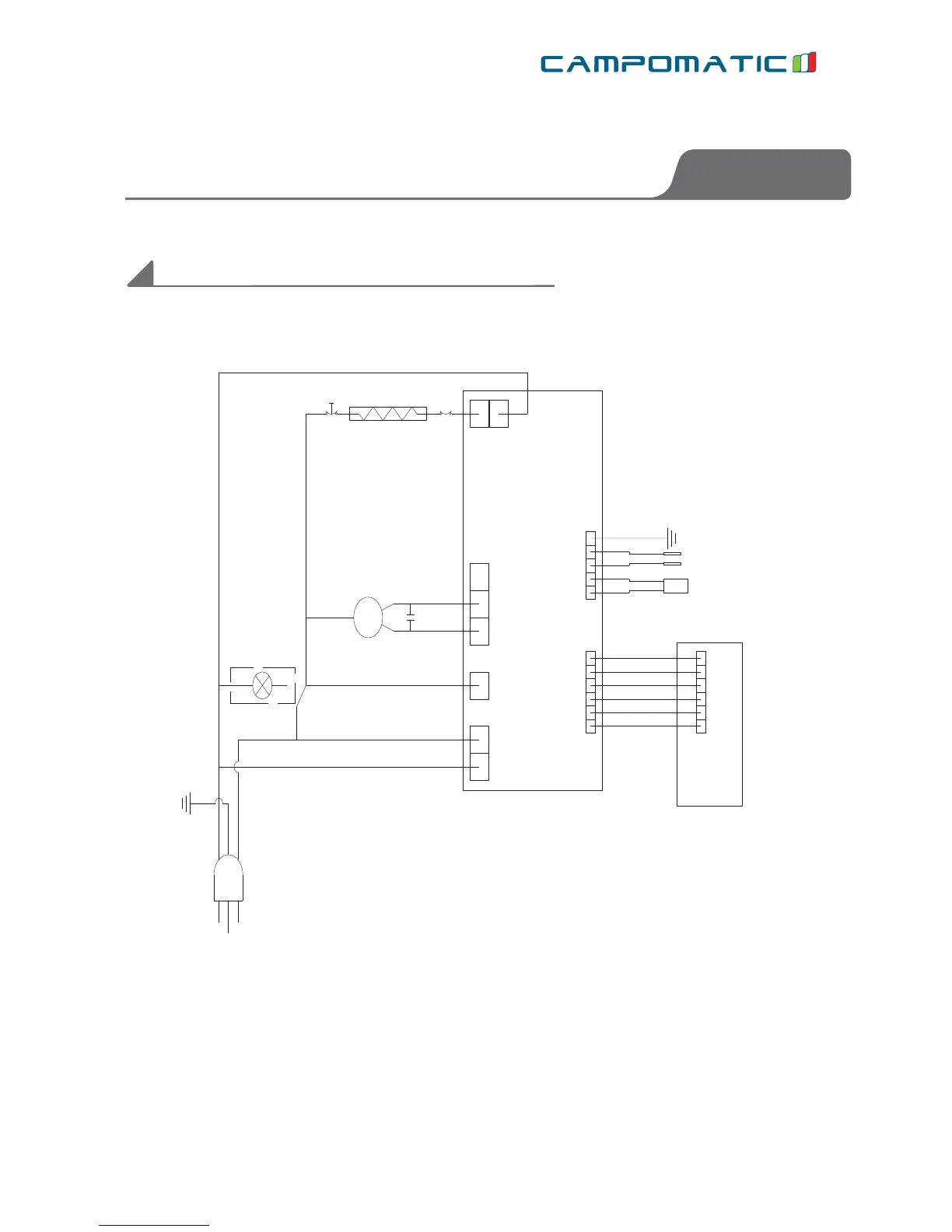
L
N
M
~
CN2
CN1
CN3
CN4 P2
E
Lam
Heater
Thermos
Door
Capacitan
Temperatures ensor
Guides ensor
Control
board
Operation
panel
Earth
Appendix
Electric diagram
Electric diagram
D807e / D807es
ENG
21