EasyManua.ls Logo

Caplain Machines BT60C - Page 15

Default Icon
72 pages
Print Icon
To Next Page IconTo Next Page
To Next Page IconTo Next Page
To Previous Page IconTo Previous Page
To Previous Page IconTo Previous Page
Loading...
CORRECTION - Aout. 2009
15
999 Rue du Tuboeuf - BP.99
77170 Brie Comte Robert
FRANCE
Tel. +33 1 60 02 19 19 - Fax. +33 160 28 91 42
SAV tel. + 33 1 60 02 20 11 - sav@caplainmachines.com
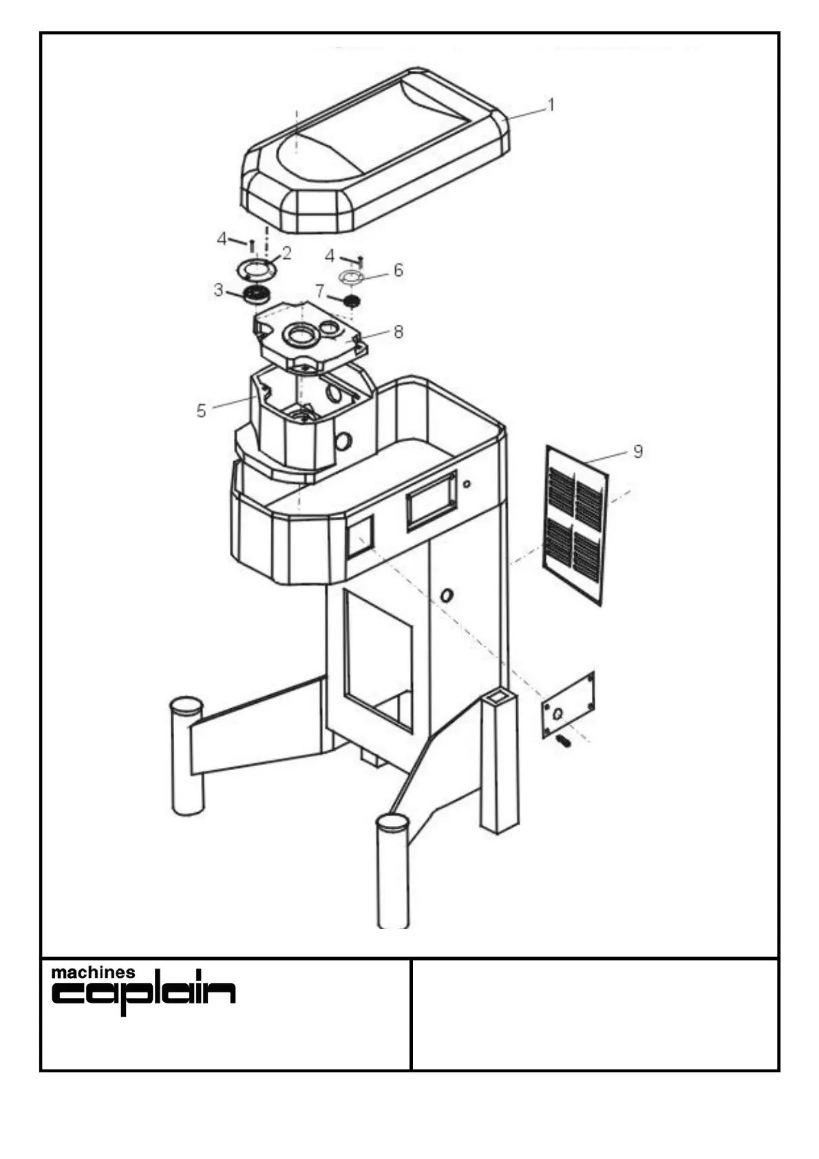
PLAN A
BT10C

Related product manuals