EasyManua.ls Logo

Carrier 48TC D/E24 Series - Page 56

Carrier 48TC D/E24 Series
64 pages
To Next Page IconTo Next Page
To Next Page IconTo Next Page
To Previous Page IconTo Previous Page
To Previous Page IconTo Previous Page
Loading...
56
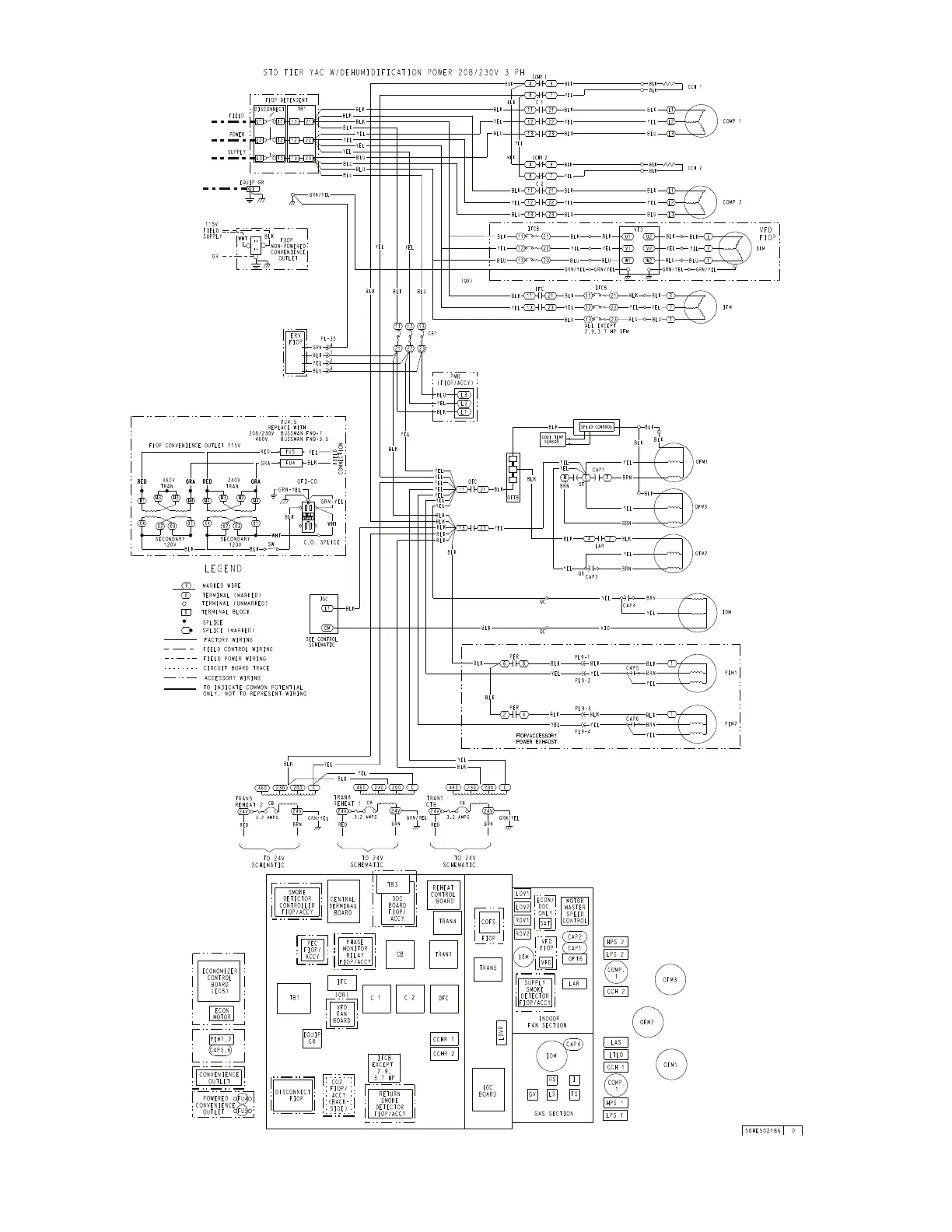
Fig. 61 — 48TC**17-30 Power Wiring Diagram with Humidi-MiZer
®
System (208/230-3-60)

Table of Contents

Related product manuals