EasyManua.ls Logo

Carrier FC4BNB - Page 12

Carrier FC4BNB
52 pages
Print Icon
To Next Page IconTo Next Page
To Next Page IconTo Next Page
To Previous Page IconTo Previous Page
To Previous Page IconTo Previous Page
Loading...
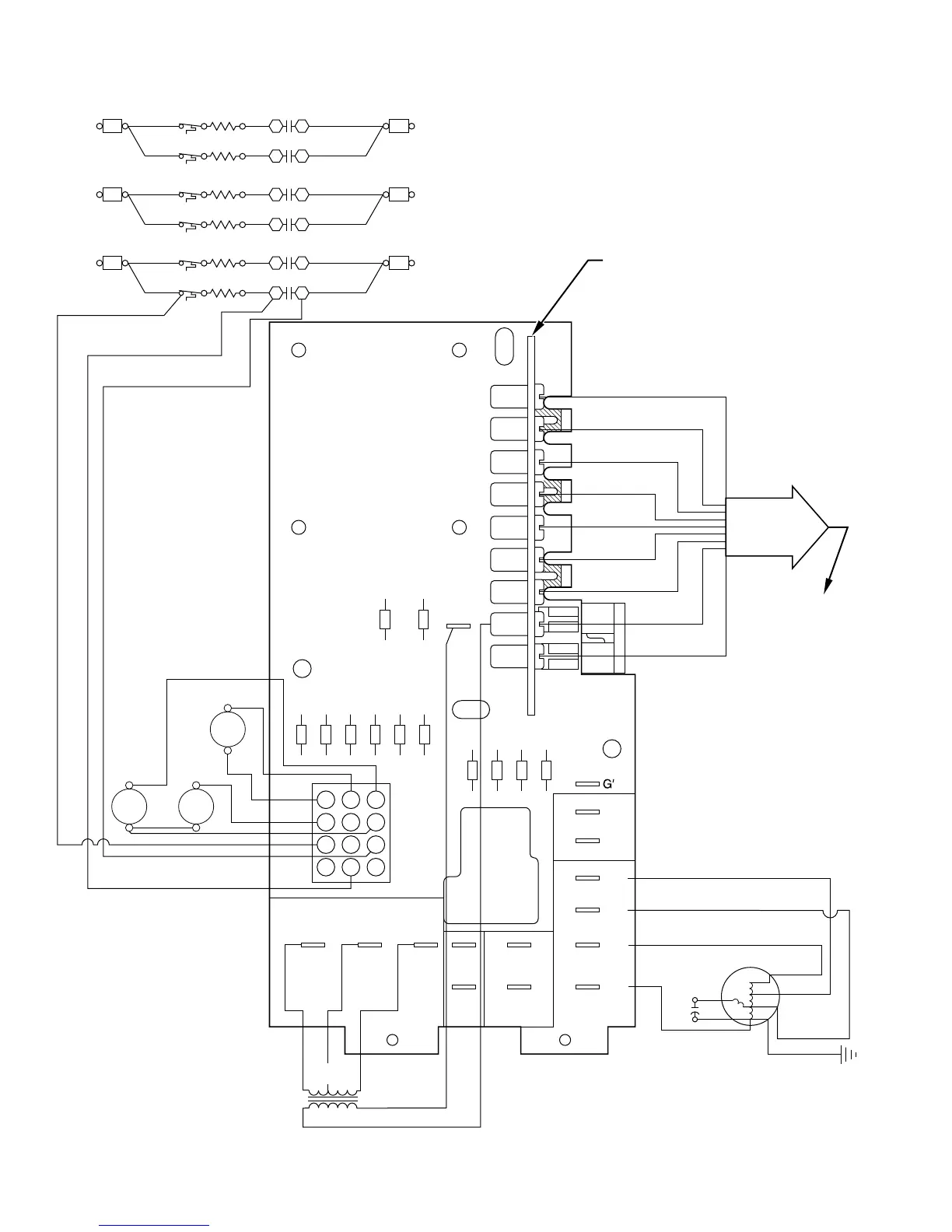
Fig. 8—10kw to 20kw Circuits
A97027
2FC-1
W3
L
W2
O
E
Y
G
R
C
AUX1
AUX2
DUMMY
DUMMY
DUMMY
COMMON
COMMON
240 VAC 240 VAC
TRANSFORMER
AC LINE
RELAY
24VDC
FAN
EAC2L2T3T2T1
EAC1L1
F4
F3
F2
F1
123
456
789
101112
C
HK61GA001A
TO
INDOOR
THERMOSTAT
W2-3W2-E
5 AMP
FUSE
MAX
FAN
TDB
YEL
LS 5 HTR5 BLK
BLK
10 9
YEL
FU5 FU6
SEQ 3
LS 6 HTR6 BLK
BLK
12 11
YEL
LS 5 HTR5 BLK
BLK
65
YEL
FU3 FU4
SEQ 2
LS 4 HTR4 BLK
BLK
87
YEL
LS 1 HTR1 BLK
BLK
BLU-MED
BLU-MED
RED-LO
RED-LO
BRN
BRN
CAP
21
YEL
FU1 FU2
SEQ 1
LS 2 HTR2 BLK
BLK
43
SEQ1
GRAY
YEL
BLU
BLK
GRAY
BRN
BRN
BLK
BLK
COMM
TRAN BRN (24V)
RED (24V)
BLU
YEL
VIO
ORG
RED
SEQ2SEQ3
BLK-HI
BLK-HI
GRN/YEL-GND
YEL-COM
FM
BLU
(208V)
RED
(230V)
LOW VOLTAGE
TERMINAL BOARD
CONNECT E TO E
C TO C ETC.
12

Table of Contents

Related product manuals