EasyManua.ls Logo

Carson Virus 4.0 GP V32 - Engine and Component Mounting

Carson Virus 4.0 GP V32
52 pages
Print Icon
To Next Page IconTo Next Page
To Next Page IconTo Next Page
To Previous Page IconTo Previous Page
To Previous Page IconTo Previous Page
Loading...
41
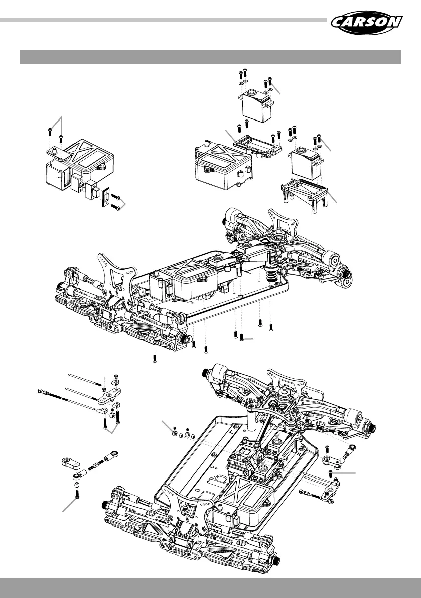
12. MONTAGE RCKOMPONENTEN • MOUNTING RCCOMPONENTS
3 x 8 mm
3 x 12 mm
3 x 12 mm
3 x 10 mm
2 x 8 mm
500205922
500205923
500205923
3 x 3 mm
3 x 8 mm
3 x 16 mm
2.5 x 16 mm
500205953
500205954

Related product manuals