EasyManua.ls Logo

Carver C-9 - Detailed Schematic Diagram

Default Icon
19 pages
Print Icon
To Next Page IconTo Next Page
To Next Page IconTo Next Page
To Previous Page IconTo Previous Page
To Previous Page IconTo Previous Page
Loading...
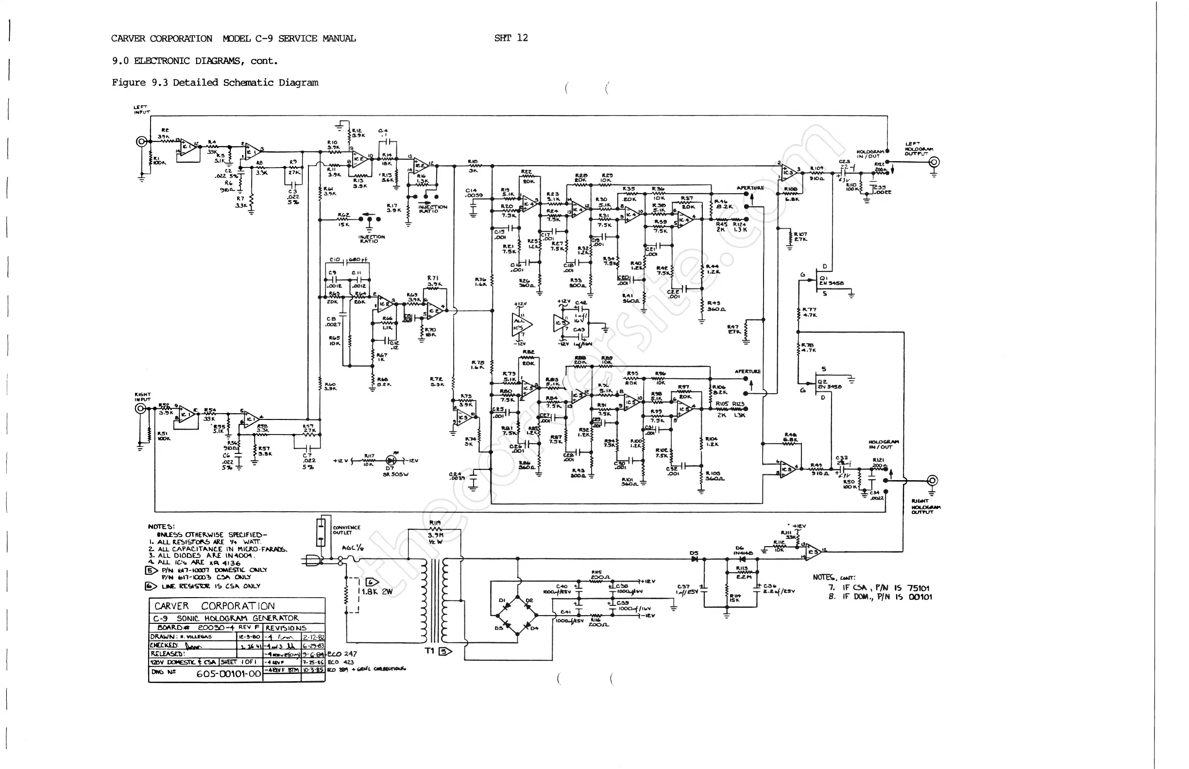
cARvm cORpORATION roDEL c-9 sERvlcE MANUAL
9.0 ELRTRONIC DIAGRAMS, cont.
Figure 9.3 Detailed Schenatic Diagram
LEFT
'WPL'T
Sm12
((
tE
- Ll& a+
3.9KEbh . I 'Z %+gi5= : = `ae RO
a.,« -I;.:.oA9t£,Rw ,3 rN" O#Tgr
a _ ,eL i£ Lwb 2 co . o
•¥;i%f 3--* -i-;;i::L92*2k'6WT'WPuT®;:LKEE±5::?K±iJC`s=I:2S
E'.;L .Li5 '"„ °` *tz fLze> |z9
cs3 t-j-3^;_ +ii -tac^a
5gK¥E5,,;#L%.on&::97K,=ff:rowc±soo=;%.:€;;¥±2§#3K.:I:I::i:I:5;,o=]§¥:::i,:i::¥Lfi=[uRE
E¥= .ro- `3r%|±£5ee-1ro7£7L
cC:a =:,f 5co, fae ;.# T¥L 5# t.r-.cO,&cO,a5.79`.rzE¥..&3.cO
DGo,EW 5es-L17t.7tflra4,7K5I-Q2L6av5rsoDI-6.eA '|OI.Oca^,i''''__'w/Our
#:ro;%oat¥''h5¥=+_ g-:%a cg;[` ::i.a,i.IZ
±g?A i:L:A :Tg£L ''.Tg ±i'i¥ #5L ffT`:¥B&Ao'k5L -'-%-o¥ Rn E¥L"E:i
I:k]i. E=:--:--i- m¥-=.. !..!L g,a ,a ;--:;:-i:A, --:z!-:.TEE:T.:+ev,:,:7sofis`:,£va=£tDgT¥+ife.ife7¥z#+I:E="7¥Ac#±;iL=¥;#c35,ri¥
%I-9'" :
`t.. Efg-f&io.-=F:t ¥
N 0lE a : canvi E`icE F`mOl`n£5E>CITREFiw`5EsFELiF`ED-°`JTIET3.9Mi.:FLED%'i[Ef5f#ANg``k':MftRAF-F~._^acI/e" E: ,Nco__ FF-a
EL,:ir'?ur:6'`' cs`£
4 ALL IC`s ARE lt` 4136 IE>g;#g`::tg3F»E{FTouroerouLrE>unERIC*S=miscs^oNLvCARVERCORPORATloN
-IT T'4Rav D§, Lco±C¥±v===+±:¥rf.:=: i:Fy7TT ±rs,|±S=Tga£.rfJfsv Ni##`,%rN',:7£'.°:,
C,-9 SONIC. HCELOGRAM GErqRrTOR
BaAR`D* ec)05O-+ REv F REvisioNs
DR.^wN: I..VILLECL^9 i£-9-OO -4 r`L~\ 2
-,2-
:="=co¥i en ]acFT :O=,`` ::±3=ri¥ri ±~-=.±3 = :£7 TI E> r
de us 605-coioi.oo -+mF" ro.3.85 co tb +cot"*coA* ( (