EasyManua.ls Logo

CARVIN SL40 - Page 29

CARVIN SL40
38 pages
Print Icon
To Next Page IconTo Next Page
To Next Page IconTo Next Page
To Previous Page IconTo Previous Page
To Previous Page IconTo Previous Page
Loading...
12340 World Trade Drive
MASTER CONTROL PANEL
San Diego, CA 92128
(619) 487-1600
Speakon 4-Pole
BUSS 1 INSERT
ERIC PETERSEN
ERIC PETERSEN
FAX 487-6629
8 BUSS MIXER
GROUP 1 FADER
REVISED BY:
LEFT INSERT
Green small
SEND LEVEL
LEFT FADER
SEND LEVEL
SEND LEVEL
SEND LEVEL
AUX SND 1
AUX SND 5
AUX SND 7
AUX SND 8
AUX SND 1
AUX SND 2
AUX SND 3
AUX SND 4
AUX SND 5
AUX SND 6
AUX SND 8
AUX SND 7
PFL CNTRL
470µF 25V
470µF 25V
PFL CNTRL
APPROVED:
DRAWN BY:
PFL CNTRL
PFL CNTRL
470µF 25V
470µF 25V
4.7 1/2W
4.7 1/2W
AUX 7 OUT
AUX 8 OUT
AUG 25 98
LEFT OUT
TIP-SEND
TIP-SEND
30-88004
80-88004
+18VDC IN
-18VDC IN
RIGHT G
RIGHT G
PHANTOM
-18VDC IN
+18VDC IN
PHANTOM
-18VDC IN
+18VDC IN
AUX 8 P
AUX 7 P
BUSS 1
50KBx2
BUSS 8
BUSS 7
BUSS 6
BUSS 5
BUSS 4
BUSS 3
BUSS 2
BUSS 1
SOLO L
SOLO R
-18VDC
+18VDC
+18VDC
+18VDC
LEFT G
LEFT G
-18VDC
+18VDC
-18VDC
JUMPER
LEFT G
A GND
A GND
A GND
A GND
A GND
A GND
A GND
A GND
A GND
A GND
A GND
A GND
PFL L
PFL R
A16.A
A16.B
A53.A
A53.B
A11.B
A24.B
P21.A
P21.B
A15.A
A15.B
S11.A
GROUP 1
A10.A
A10.B
A14.A
A17.A
A14.B A17.B
RIGHT
P17.B
P17.A
DATE:
DATE:
ASSY.
DATE:
ARVIN
S11.B
S21.A
S31.B
S21.B
S31.C
H10.A
A29.B
H16.A
H16.B
H17.G
H17.H
S31.D
H11.B
H11.C
H11.D
H11.A
H11.G
H11.H
H11.F
H11.E
A GND
A GND
A11.A
INV L
INV R
INV L
INV R
POWER
POWER
A3.B
H5.B
H5.C
H5.D
H5.A
H5.G
H5.H
H5.F
H5.E
R163
R167
R168
LEFT
LEFT
LEFT
R434
R271
R112
R115
MUTE
5.6K
5.6K
R259
H1.B
H1.C
H1.D
H1.A
H1.G
H1.H
H1.F
H1.E
C117
C121
H4.B
H4.C
H4.D
H4.A
H4.G
H4.H
H4.F
H4.E
H2.B
H2.C
H2.D
H2.A
H3.B
H3.D
H3.C
H3.A
LEFT
C109
H6.A
H6.B
REV:
REV:
C139
C141
S8.A
S8.B
H7.G
H7.H
MUTE
4.7K
R286
R287
R288
PEAK
4.7K
R304
S1.B
S1.A
S5.B
S5.A
330P
R335
R381
C170
C171
R391
R390
R412
330P
C184
R416
R417
A3.A
R124
C192
4.7K
R433
R436
R438
SND1
R317
R365
R454
R166
4.7K
S7.B
FLIP
SUB1
S7.A
FLIP
BUS1
SND1
BUS1
4.7K
A4.B
C130
4.7K
R102
C154
10K
10K10K
10K
39P
C58
C61
39P
C60
50K
P11
12K
39P
C50
50K
39P
C51
C52
J28
J27
39P
C86
R12
R10
R13
R11
39P
C40
39P
C46
50K
10K
R83
C41
C35
PAN
10K
10K
22K
R68
R87
R59
R61
R62
39P
C17
C22
39P
C21
50K
12K
R75
R76
R77
R80
39P
C27
39P
C28
C30
39P
C29
50K
R82
R84
R85
R88
39P
C31
39P
C32
C34
39P
C33
50K
10K
P15
PFL
J31
NO:
PCB
NO:
39P
39P
J41
C43
22K
R95
22K
R96
D21
D31
47K
10K
10K
J44
10K
39P
10K
R45
24K
24K
24K
24K
GND
QC1
R66 10K
10K
J18
J17
J15
C14
6.8K
10K
10K
6.8K
OS1
J11
10K
10K
R18
22K
47
47
47
47
47
47
47
47
47
47
47
C90
C91
R35
47K
R39
47K
C96
R63
39P
R67
22K
C39
R74
47K
10K
39P
R2
P9
P1
10
cw
cw
10
R4
R5
R9
cw
22µ F
cw
cw
J1
22µF
cw
10
cw
10
cw
10
22µ F
Q1
1K
2+
2-
1+
1-
R8
C2
10
C7
10
B5 B6
10
D9
10
10
22µ F
10
+
+
+
+
+
+
+
+
1
2
3
+
+
+
+
+
+
+
+
+
1
2
3
+
+
+
+
+
+
+
+
+
+
+
+
+
+
+
+
+
+
+
+
C
+
+
+
+
+
+
+
+
+
+
+
+
+
+
+
+
C
39P
C176
+
39P
C197
+
R106
C199
10K
39P
6.8K
6.8K
PFL
L-R
AUX 5 OUT
SENDS 1 - 4 IDENTICAL
BUSSES 1 - 8 ARE IDENTICAL
SND 6 IDENTICAL
-18VDC
+18VDC
RIGHT BUSS IS IDENTICAL
NOT ON 5 - 8
EXCEPT 5-8 ( NO FLIP SW. )
D
15OCT99
29
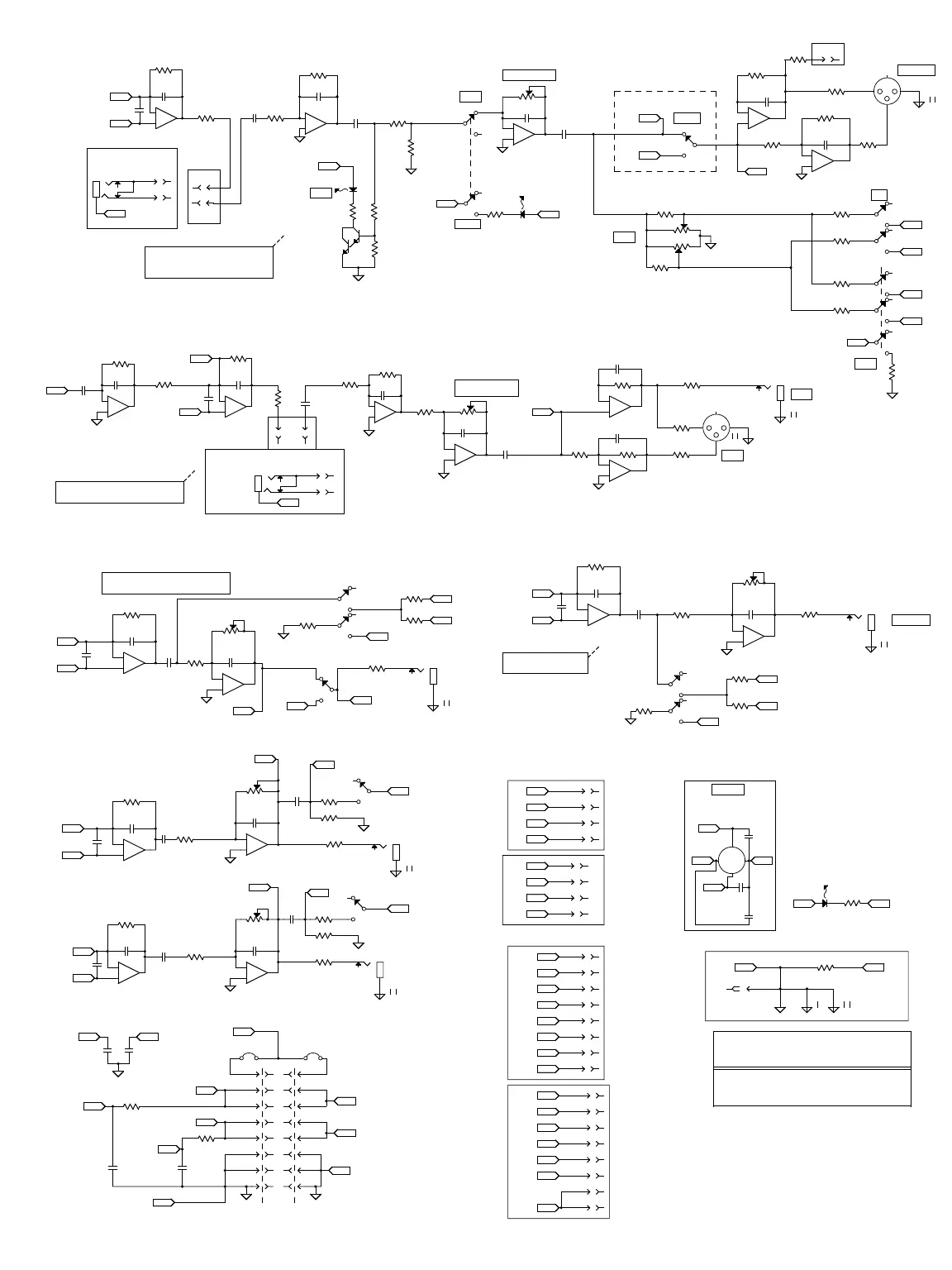
S/L Master Section Schematic