EasyManua.ls Logo

Casals BC52P - Maintenance; Maintenance Schedule; Storage Procedures

Casals BC52P
10 pages
Print Icon
To Next Page IconTo Next Page
To Next Page IconTo Next Page
To Previous Page IconTo Previous Page
To Previous Page IconTo Previous Page
Loading...
Maintenance will help your machine work in a good
condition.
1. Daily inspect: (daily maintenance)
•Inspect all the bolts and screws to make sure they
are sufficiently tightened.
•Check if the fuel tank has any leaks or trapped air.
2. Every 20 hours inspect: (base on daily mainte-
nance)
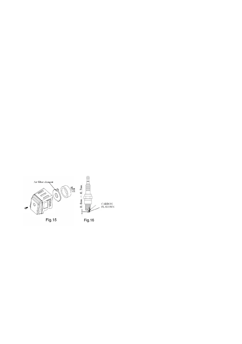
•Clean the air filter element. (Fig.15)
•Clean the fuel filter.
3. Every 50 hours inspect: (base on daily mainte-
nance)
•Retighten the bolts of cylinder.
•Clean the excess carbon from cylinder firebox and
cylinder exhaust port.
•Clean the excess carbon from spark plug, and
re-adjust the electrode gap to
0.6mm-0.7mm.(Fig.16)
•Clean the excess carbon from exhaust port of
muffler.
•Flexible shaft should be removed and lubricated
with a good quality lithium grease.
•Gear case should be lubricated with the grease.
•Make sure that all the bolts, screws and nuts are
sufficiently tightened. Inspect carefully for any fuel
leak on the fuel tube.
Storage
If the machine is not used for a long period of time
the following steps of brush cutter storage will help
you start the engine easier when you use the machine
again.
a. Completely drain the fuel out of the fuel tank and
carburetor.
Close the choke and pull the recoil starter handle 3-5
times.
b. Remove the spark plug and pour the correct amount
of engine oil into the cylinder through the spark plug
hole. Pull the recoil starter handle gently 2-3 times.
Make the piston stop at the top of its travel. Then install
the spark plug.
c. Clean the external surfaces of the machine with a
clean rag. Then store the machine in a clean and dry
place.