EasyManua.ls Logo

Castolin Eutectic CastoTIG 1401 DC - Page 32

Castolin Eutectic CastoTIG 1401 DC
Print Icon
To Next Page IconTo Next Page
To Next Page IconTo Next Page
To Previous Page IconTo Previous Page
To Previous Page IconTo Previous Page
Loading...
32
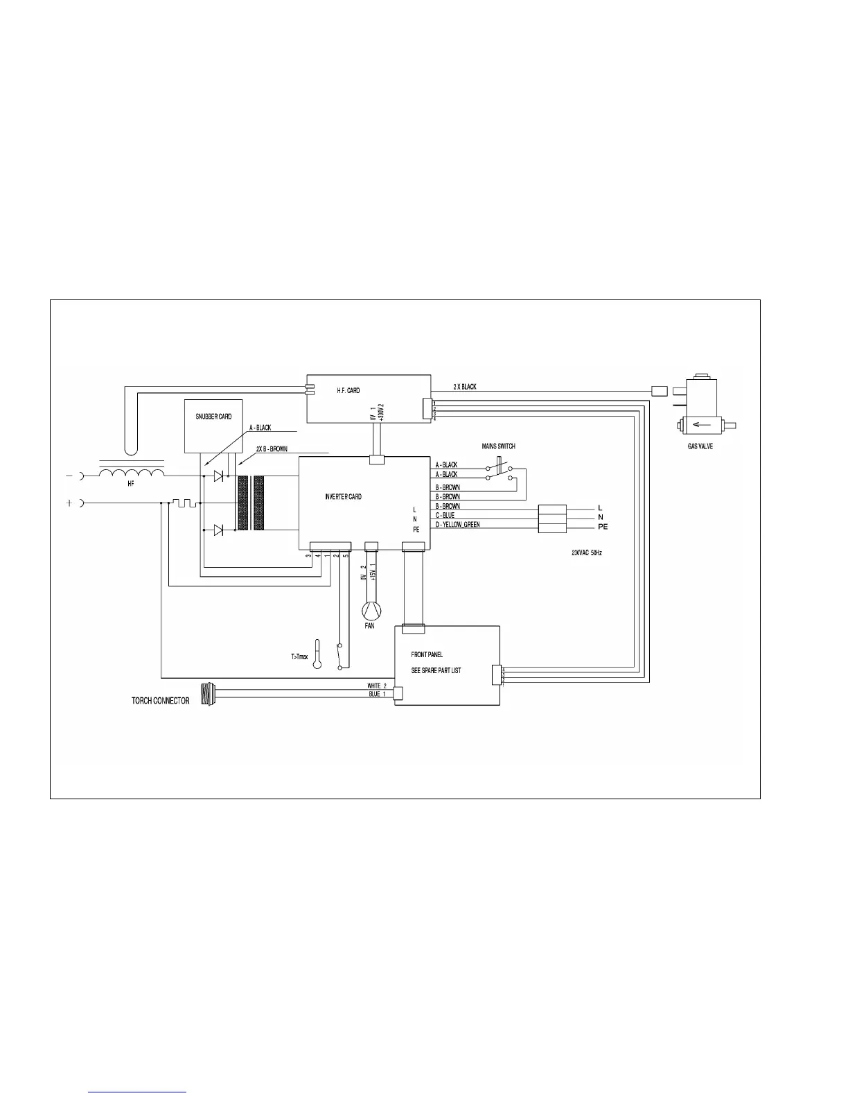
Schaltplan / Circuit diagram / Schema de connexions / Schemi elettrici /
Esquema de conexiones

Related product manuals