EasyManua.ls Logo

Cata B-10 - Page 5

Cata B-10
14 pages
Print Icon
To Next Page IconTo Next Page
To Next Page IconTo Next Page
To Previous Page IconTo Previous Page
To Previous Page IconTo Previous Page
Loading...
so gleichen Sie den Unterschield mit dem beigelegten Kautschuk aus.
Muß mit einem Kabel, welches einen Durchmesser von 2 x 1 aufweist, fix angeschlossen werden. Ventilator
entspricht der Sicherheitsklasse II it, den Vorschriften von C.E.I. IPX4
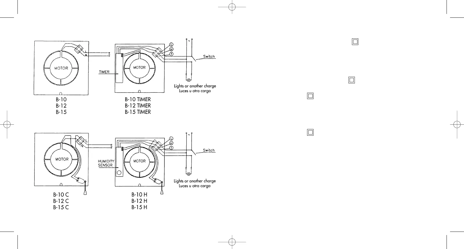
B-10, B-12, B-15 mit MATIC
Für die Anbringung des Frontdeckels A1, Fig. T, die Kühlerklappen-Kotflügel in der Position X (offen).
Wenn der Deckel in der Endstellung ist, die Schraube (1) anziehen, bis der Deckel ganz fest sitzt. Überprüfen
Sie, ob die Kotflügel sich korrekt öffnen und schließen lassen. (Die Öffnungszeit ist verzögert; ca. 30"). Wenn
sich nach dieser Zeit die (Kühlerklappen)-Kotflügel noch nicht geöffnet haben, wiederholen Sie die Montage
des Frontdeckels A1.
Modell B-10 TIMMER / B-12 TIMMER / B-15 TIMMER: IPX4
Zur Regelung der Nachlaufzeit ist der Nachlaufschalter (4) im Uhrzeigersinn zu drehen (Nachlaufzeit wird
verlängert).
Modell B-10 H / B-12 H / B-15 H: IPX4
Zur Regelung der Nachlaufzelt ist der Nachlaufschalter Rot (4) im Uhrzeigersinn zu drehen.
Um den Feuchtigkeitsgrad zu regulieren, sit der Drehknopf des Hygrostats Blau (5) im Uhrzeigersinn zu drehen
(Einstellung des Feuchtigkeltsgrads wird erhoht).
Die Serien B-10 und B-15 mit eingebautem Hygrometer haben ein Signal-Led. Dieses Led leuchtet auf, wenn der
Lüfter durch Betätitgen des Schaleters am Gerät oder außerhalb in Betrieb genommen wird, leuchtet der Led nicht
auf. Wenn das Gerät nicht in Betrieb ist, bleibt auch der Led aus.
Modell B-10 C / B-12 C / B-15 C: IPX4
Dieses Modell is mit einem EIN/AUS-Zugschaller ausgestallel (6).
Lys eller anden belastning
Valo tai muu kuormitus
Lys eller annen energibelastning
Lampor eller annan belastning
Lys eller anden belastning
Valo tai muu kuormitus
Lys eller annen energibelastning
Lampor eller annan belastning
60801540.06.02.2007.qxp 12/2/07 11:00 Página 10