EasyManua.ls Logo

Cecilware HWD2 - Page 14

Cecilware HWD2
14 pages
Print Icon
To Previous Page IconTo Previous Page
To Previous Page IconTo Previous Page
Loading...
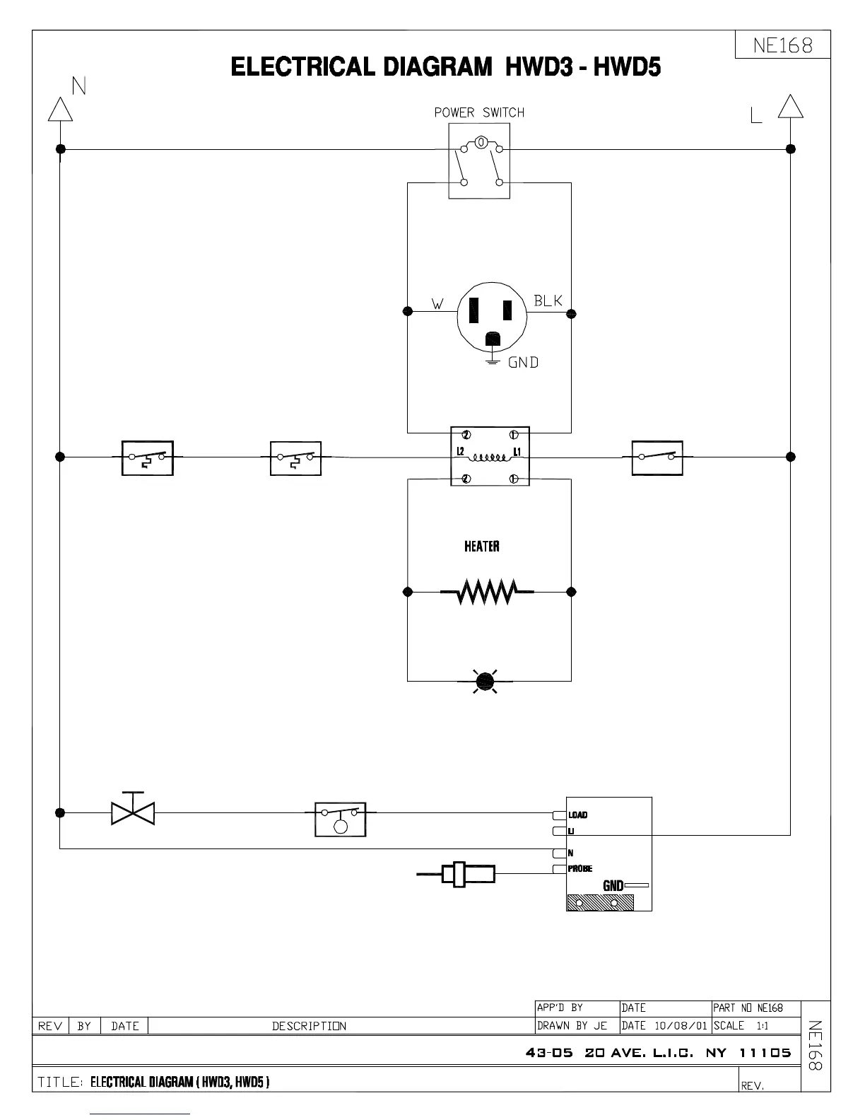
CECILWARE CORPORATION
CONTACTOR
LEVEL
CONTROL
FLOAT SWITCH
WATER INLET VALVE
HI-LIMIT
THERMOSTAT
HEATER SW
WATER LEVEL PROBE
HEATING

Other manuals for Cecilware HWD2