EasyManua.ls Logo

CFMoto 600 - Page 83

Default Icon
192 pages
Print Icon
To Next Page IconTo Next Page
To Next Page IconTo Next Page
To Previous Page IconTo Previous Page
To Previous Page IconTo Previous Page
Loading...
GUIDE FOR SAFE USE
PASSENGER REQUIREMENTS
This vehicle is designed for the operator and
one passenger, carrying more than one
passenger can be dangerous and could lead
to injury or death. As the operator, you are
responsible for your passenger.
Your passenger must be able to
place both feet on the floorboard
while seated upright with his/her
back against the seat back.
Allow only one passenger in the
vehicle and only in the passenger
seat. Do not carry passengers in the
cargo bed
Do not allow someone to ride as a
passenger who has been using
drugs and alcohol.
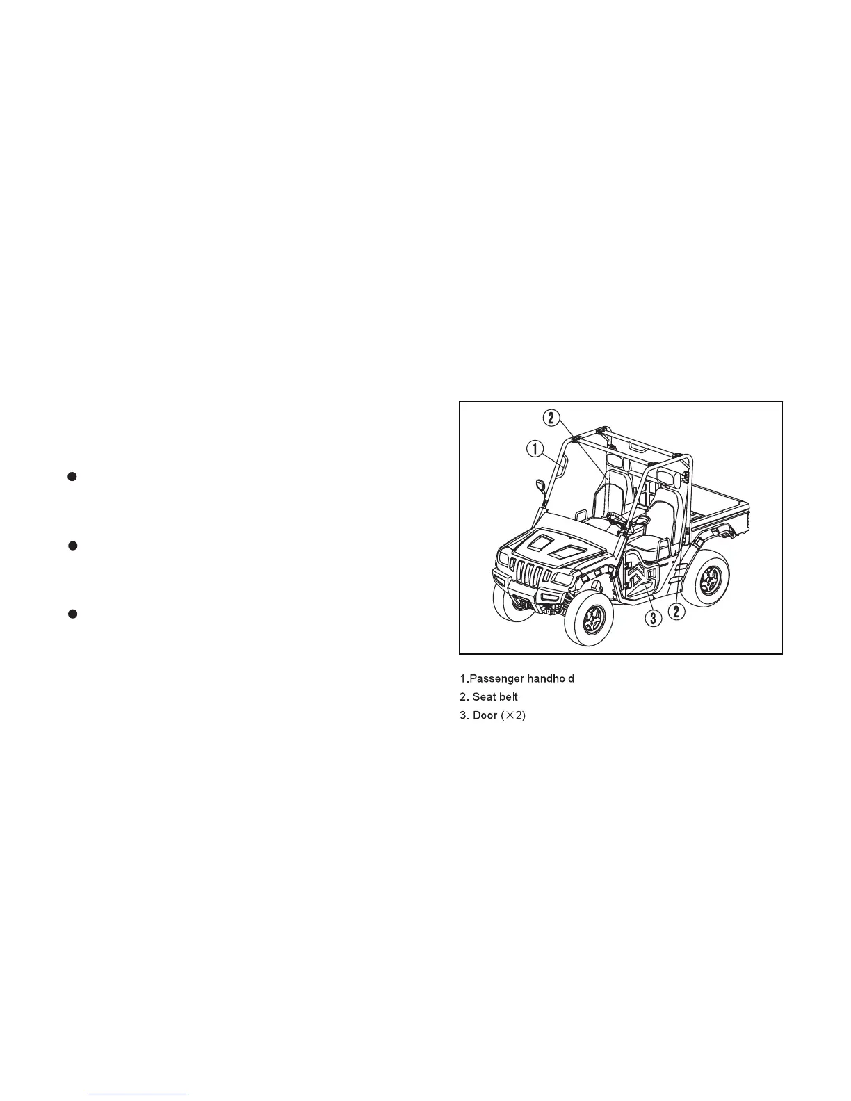
Occupant protection system
-82-

Related product manuals