EasyManua.ls Logo

chilli CHP-P-07 - Page 21

chilli CHP-P-07
33 pages
Print Icon
To Next Page IconTo Next Page
To Next Page IconTo Next Page
To Previous Page IconTo Previous Page
To Previous Page IconTo Previous Page
Loading...
Inverter heat pump solution
PAGE \*
MERGEFORMAT 18
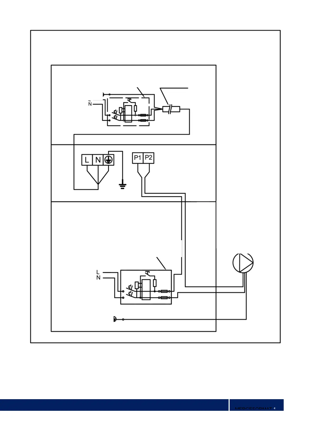
Breaker/fuse
(Customer prepare)
Earthing
Power
Supply
230V~/50H
Water pump: 230V voltage, ≤500W capacity
Water
Pump
Breaker/fuse
(Customer prepare)
Power
Supply
230V~/50H
Earthing
Power cord