EasyManua.ls Logo

chilli CHP-P-07 - Page 23

chilli CHP-P-07
33 pages
Print Icon
To Next Page IconTo Next Page
To Next Page IconTo Next Page
To Previous Page IconTo Previous Page
To Previous Page IconTo Previous Page
Loading...
Inverter heat pump solution
PAGE \*
MERGEFORMAT 18
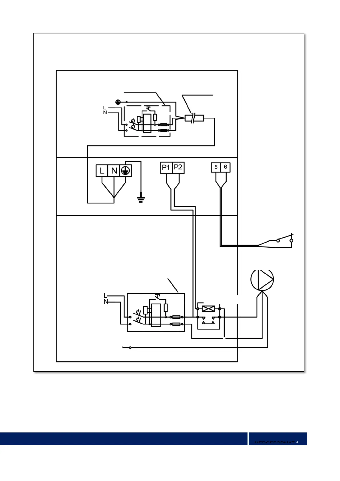
Customer remote
control switch
connector
Water pump: 230V voltage, 500W capacity
Breaker/fuse
(Customer prepare)
Earthing
Power
Supply
Water
Breaker/fuse
(Customer prepare)
Power
Supply
Earthing
Contact
Power cord