EasyManua.ls Logo

Clint R410A - Electrical Diagrams

Clint R410A
36 pages
Print Icon
To Next Page IconTo Next Page
To Next Page IconTo Next Page
To Previous Page IconTo Previous Page
To Previous Page IconTo Previous Page
Loading...
28
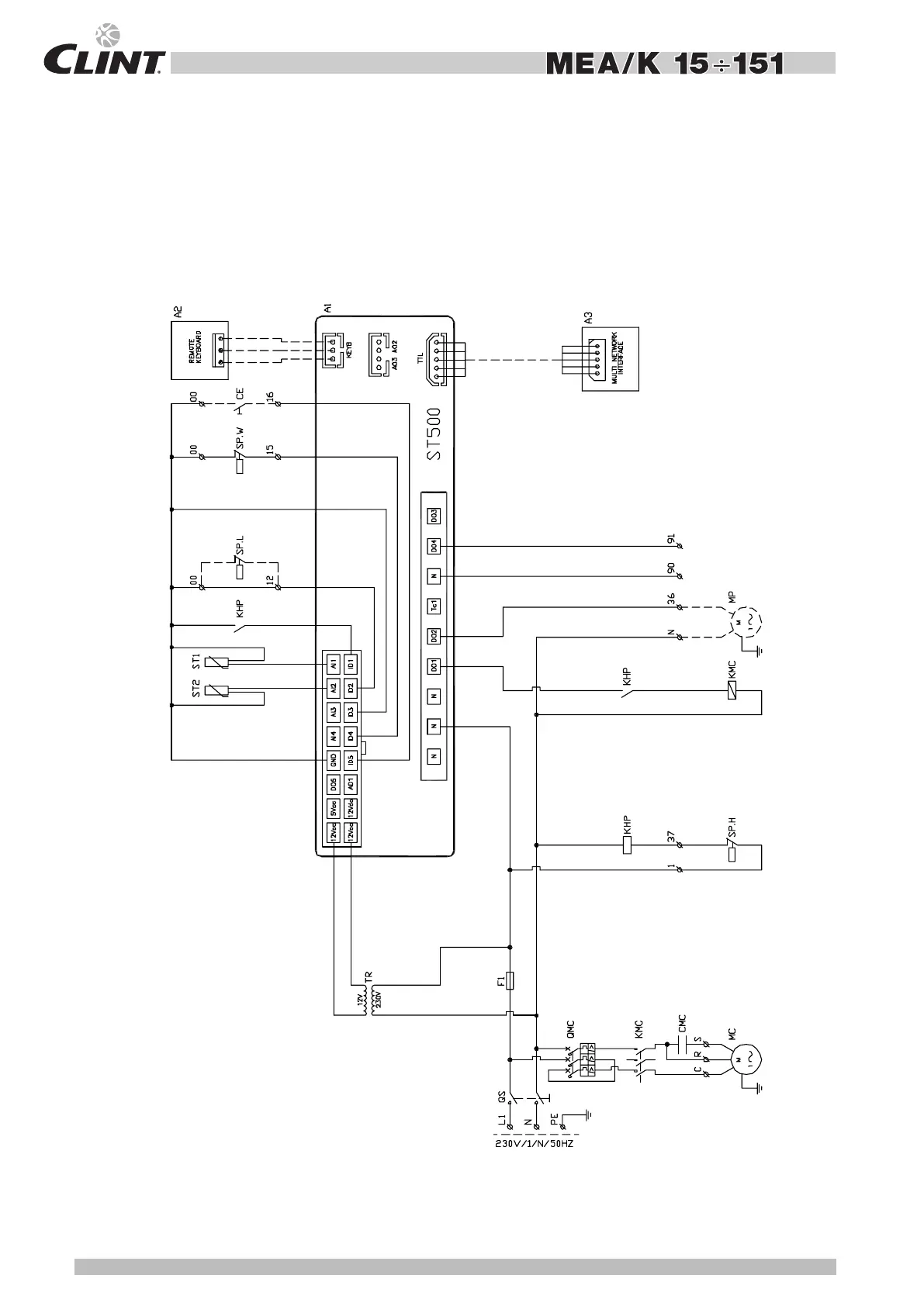
SCHEMA ELETTRICO - MODELLI 15 ÷ 41
VERSIONI: MEA/K - MEA/K/SP
SCHALTPLAN - MODELLE 15 ÷ 41
BAUVARIANTE:
MEA/K - MEA/K/SP
ELECTRICAL DIAGRAM - MODELS 15 ÷ 41
VERSION: MEA/K - MEA/K/SP
DIAGRAMME ÉLECTRIQUE - MODEL 15 ÷ 41
VERSION:
MEA/K - MEA/K/SP
- Legenda schema elettrico a pagina 27.
- Schaltplan Erklärung auf Seite 27.
- Wiring diagram explanation on page 27.
- Explication de le diagramme électrique à la page 27.

Related product manuals