EasyManua.ls Logo

Comer AS650 - Page 18

Comer AS650
22 pages
Print Icon
To Next Page IconTo Next Page
To Next Page IconTo Next Page
To Previous Page IconTo Previous Page
To Previous Page IconTo Previous Page
Loading...
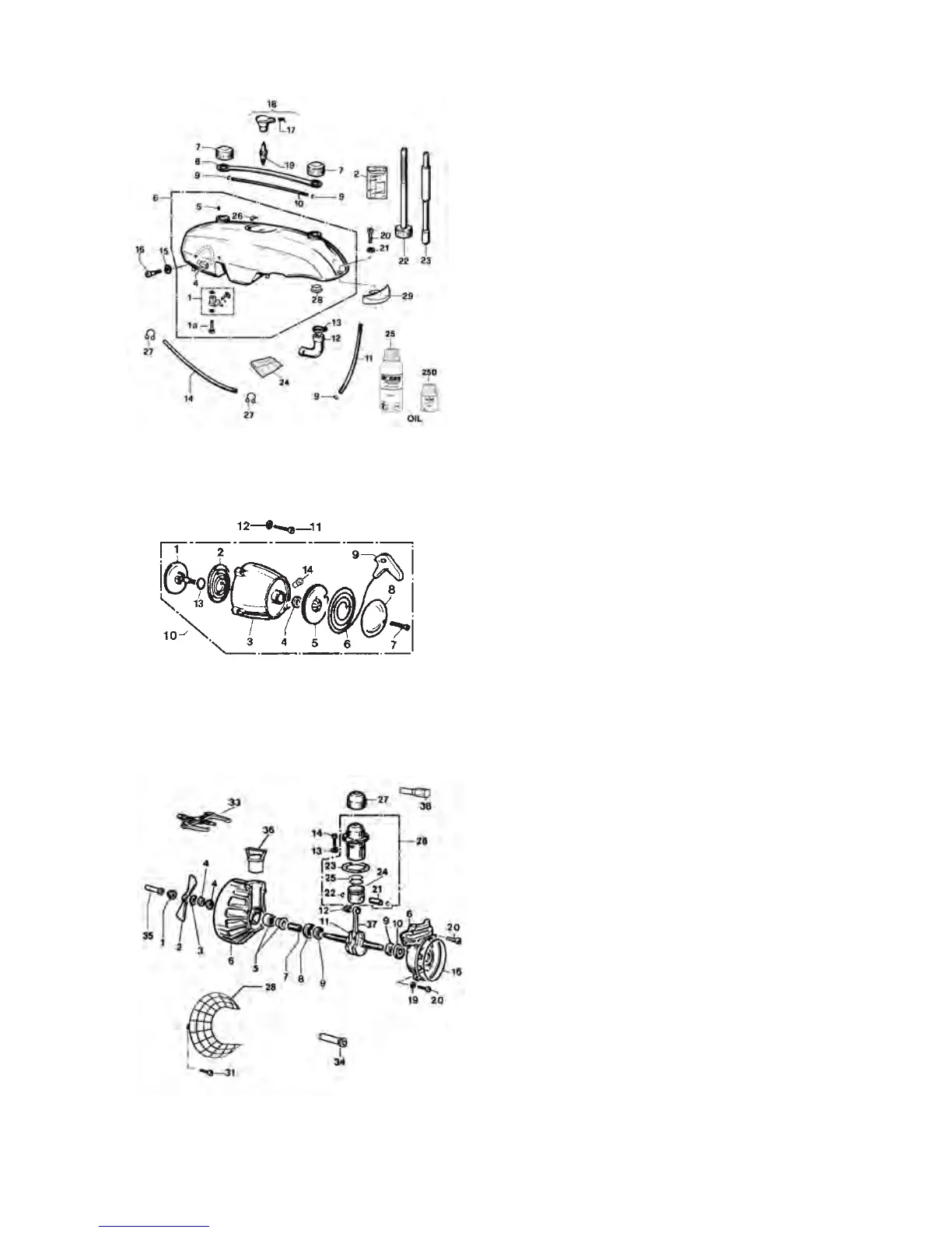
POS DESCRIZIONE DESCRIPTION N. CODICE-PART N. QT
PREZZO UNITARIO
UNIT PRICE
1 Rubinetto completo Fuel shut-off cock, compI. 7000 2033 1
12,00
1a Vite rubinetto Shut-off cock screw 70001066 1
4,00
2 Set adesivi Decal set 7000 1013 1
8,00
4 Pesca carburante Fuel pick-up 7000 1061 1
6,00
5 Valvola sato Valve 7000 1039 1
3,50
6 Serbatoio Tank 7000 2010 1
70,00
7 Tappo Cap 7000 2005 2
5,00
8 Manico trasporto Carry handle 7000 1017 1
5,00
9 Clip Ø 6 Clamp Ø 6 7000 1068 3
0,30
10 Tubo compensazione cm.20 Pressure relief hose cm.20 7000 0003 1
2,00
11 Tubo carburante cm.30 Fuel hose cm.30 7000 0003 1
2,00
12 Raccordo aspirazione Intake elbow 7000 1055 1
8 , 0 0
13 Fascetta Clamp 7000 1056 1
4,00
14 Tubo sato Pressure relief hose 7000 1054 1
3,00
15 Rondella Washer 7000 1037 2
0,30
16 Vite laterale Screw, lateral 7000 1024 2
4,00
17 Molla candela Spark plug spring 7000 1095 1
0,60
18 Cappuccio e molla Cap and spring 7000 1093 1
4,00
19 Candela Bosch. Spark plug Bosch 7000 1133 1
5,00
20 Vite frontale 5x25 Screw, cruise handle 5x25 7000 1038 1
1,00
21 Rondella Washer 7000 1021 1
0,30
22 Snorkel Snorkel 7000 2001 1
12,00
23 Prolunga snorkel Snorkel extension 7000 2002 1
10,00
24 Busta attrezzi Tool kit 7000 1010 1
15,00
25 Conf. olio mix 150 ml. Oil mix bottle 150 ml. 7500 9001 1
6,75
25D Conf. olio mix 30 ml. Oil mix bottle 30 ml. 7500 9002 1
2,00
26 Raccordo a 90° Elbow 90° 7000 1069 1
2,20
27 Clip Ø 8 Clamp Ø 8 7000 1072 2
0,30
28 Boccola serbatoio Tank bush 7000 1063 1
4,00
29 Paracolpi in gomma Rubber bumper 7000 2046 1
10,00
POS DESCRIZIONE DESCRIPTION N. CODICE-PART N. QT
PREZZO UNITARIO
UNIT PRICE
1 Inserto puleggia Starter pulley axle 7000 1047 1
12,00
2 Molla avviamento Starter spring 7000 1051 1
10,00
3 Scat. avv. c/paraolio Starter housing w/oil seal 7000 2040 1
18,00
4 Anello di tenuta Water seal 7000 1050 1
3,50
5 Puleggia avviamento Starter pulley 7000 1046 1
10,00
6 Funicella avviamento Starter rape 7000 2009 1
2,00
7 Vite conica 4x16 Conical screw 4x16 7000 1049 1
1,00
8 Calotta Nosepiece 7000 1045 1
3,00
9 Impugnatura avviamento Starter handle 7000 1052 1
4,00
10 Avviamento completo Starter compI. 7000 2007 1
38,00
11 Vite scatola 5x25 Screw, starter housing 5x25 7000 1022 4
1,00
12 Rondella Washer 7000 1018 4
0,30
13 O.R. perno puleggia O ring, starter axle 7000 1062 1
0,50
14 Boccola x fune Bush for rape 7000 1044 1
0,50
Fig.1 SERBATOIO / TANK
Fig.2 AVVIAMENTO/STARTER SYSTEM
POS DESCRIZIONE DESCRIPTION N. CODICE-PART N. QT
PREZZO UNITARIO
UNIT PRICE
1 Dado autobloccante elica Nut, propeller 7000 1020 1
2,00
2 Elica Propeller 7000 2004 1
14,00
3 Disco di protezione Protection sleeve 7000 1086 1
0,80
4 Anello di tenuta elica Water seal 7000 1091 2
3,50
5 Kit gabbia e boccola Needle bearing kit 7000 2037 1
10,00
6 Coppia basamenti Crankase assy 7000 2020 1
75,00
7 Distanziale Sleeve 7000 1125 1
2,00
8 Cuscinetto elica Propeller bearing 7000 1089 1
5,00
9 Anello tenuta alb.Witon Witon oil seal 7000 1092 2
5,00
10 Cuscinetto Iato volano Bearing, ywheel side 7000 1090 1
5,00
11 Albero motore Ø 40 Crankshaft+needle bearing 7000 2032 1
90,00
Albero motore Ø 41 SM Crankshaft+needle bearing SM 7000 1140 1
90,00
12 Astuccio a rulli Upper needle bearing C050-048 1
5,00
12a Gabbia a rulli slabile Sliding needle bearing 7000 1131 1
5,00
13 Rondella Washer 7000 1018 4
0,30
14 Vite cilindro 5x20 Screw, cylinder 5x20 7000 1081 4
1,00
16 O.R. tenuta volano O ring, ywheel side 7000 1088 1
2,50
19 Rondella Washer 7000 1018 6
0,30
20 Vite basamenti 5x40 Screw 5x40 7000 1032 6
1,00
21 Spinotto Piston pin 7000 1118 1
4,00
22 Anello di fermo Piston pin clip 7000 1116 2
0,30
23 Guarnizione cilindro Cylinder gasket 7000 1028 1
1 , 0 0
24 Pistone completo Ø 40 Piston complete Ø 40 7000 1120 1
40,00
Pistone completo Ø 41 SM Piston complete Ø 41 SM 7000 1142 1
40,00
25 Segmenti Ø 40 Piston rings Ø 40 7000 1119 2
4,50
Segmenti Ø 41 SM Piston rings Ø 41 SM 7000 1144 2
4,50
26 Kit cilindro / pistone Ø 40 Cylinder / piston kit Ø 40 7000 2035 1
95,00
Kit cilindro / pistone Ø 41 SM Cylinder / piston kit Ø 41 SM 7000 2044 1
95,00
27 Cufa cilindro Cylinder head 7000 1071 1
4,00
28 Griglia protezione CE Safety-Grid CE 7000 1025 1
5,00
29 Set guarnizioni + O.R. Set gasket + O ring 7000 2030 1
10,00
31 Vite protezione 4x10 Safety screw 4x10 70001036 5
0,50
32 Blocco motore assemblato Engine assy assembly 7000 1078 1
280,00
33 Estrattore elica Propeller puller 7000 2036 1
50,00
34 Tampone paraolio Oil seal buffer 7000 1000 1
10,00
35 Tampone paraolio elica Propeller oil seal buffer 7000 1000 1
10,00
36 Boccola chius. basamento CranKase lock bush 7000 1139 1
100,00
37 Biella completa Connetting rod 7000 1110 1
50,00
38 Perno ferma pistone Piston check pin KACC-126 1
4,00
Fig.3 BLOCCO MOTORE / ENGINE BLOCK