EasyManua.ls Logo

Commodore 1541 - Page 20

Commodore 1541
36 pages
Print Icon
To Next Page IconTo Next Page
To Next Page IconTo Next Page
To Previous Page IconTo Previous Page
To Previous Page IconTo Previous Page
Loading...
Jl,AC INPUT
Tl
OR
J9,AC LINE
SI,POWER
16V
QJI
OFF
16V
AC
HI
OR
GND
4
16V
02
AC
LO
BU
2
9V
01
9V
QJ2
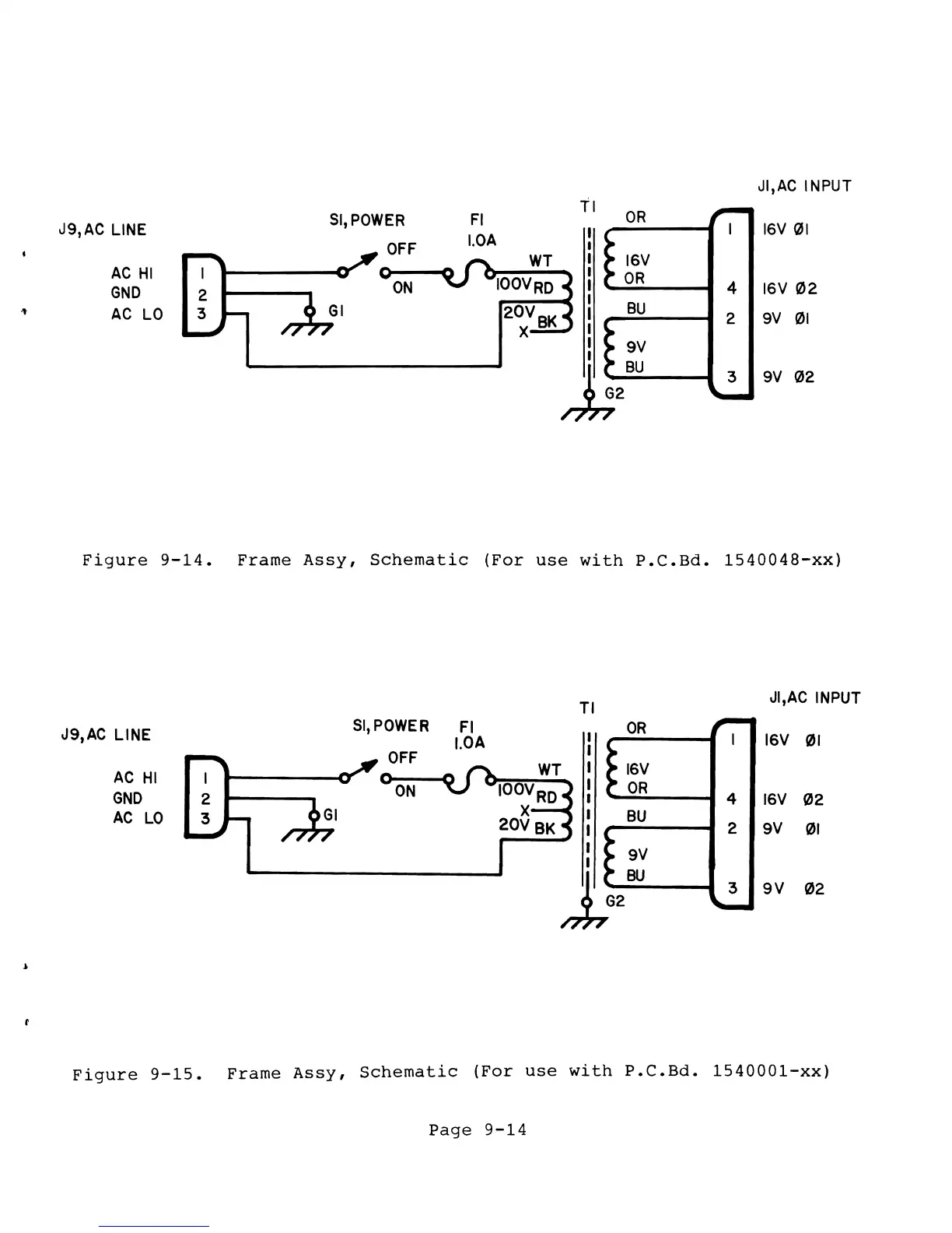
Figure
9-14.
Frame
Assy,
Schematic
(For
use
with
P.C.Bd.
1540048-xx)
J9,AC LINE
AC
HI
GND
AC
LO
Sl,POWER
Fl
1.0A
Tl
OR
16V
OR
4
BU
2
Jl,AC INPUT
16V
01
16V
02
9V
01
9V
02
Figure
9-15.
Frame
Assy,
Schematic
(For
use
with
P.C.Bd.
1540001-xx)
Page
9-14

Other manuals for Commodore 1541

Related product manuals