EasyManua.ls Logo

Community XLT415 - Page 2

Community XLT415
2 pages
Print Icon
To Previous Page IconTo Previous Page
To Previous Page IconTo Previous Page
Loading...
Page 2 of 2
0004017Cm
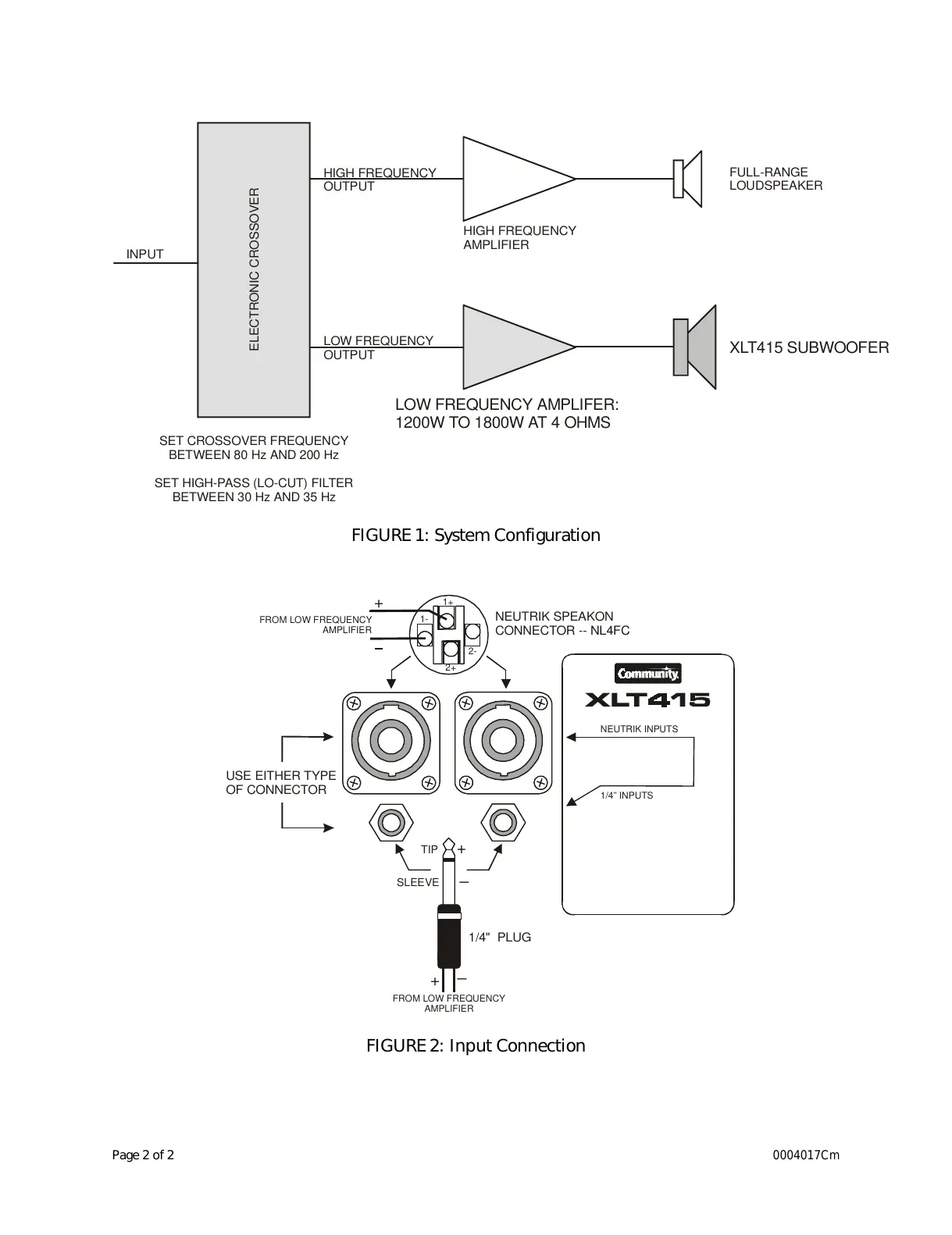
FIGURE 1: System Configuration
FIGURE 2: Input Connection
1+
2-
1-
2+
FROM LOW FREQUENCY
AMPLIFIER
+
NEUTRIK SPEAKON
CONNECTOR -- NL4FC
FROM LOW FREQUENCY
AMPLIFIER
1/4” INPUTS
1/4" PLUG
TIP
+
_
+
_
NEUTRIK INPUTS
SLEEVE
USE EITHER TYPE
OF CONNECTOR
FULL-RANGE
LOUDSPEAKER
XLT415 SUBWOOFER
HIGH FREQUENCY
OUTPUT
LOW FREQUENCY
OUTPUT
SET HIGH-PASS (LO-CUT) FILTER
BETWEEN 30 Hz AND 35 Hz
LOW FREQUENCY AMPLIFER:
1200W TO 1800W AT 4 OHMS
HIGH FREQUENCY
AMPLIFIER
ELECTRONIC CROSSOVER
SET CROSSOVER FREQUENCY
BETWEEN 80 Hz AND 200 Hz
INPUT
All manuals and user guides at all-guides.com

Related product manuals