EasyManua.ls Logo

Comprag F Series - Page 86

Comprag F Series
108 pages
Print Icon
To Next Page IconTo Next Page
To Next Page IconTo Next Page
To Previous Page IconTo Previous Page
To Previous Page IconTo Previous Page
Loading...
86 Версия 1.4
(2) подает сигнал на электромагнитный клапан (3), клапан открывается, давлением воздуха
из бака сепаратора (4) закрывает заслонку (5) всасывающего клапана (1), одновременно
происходит разгрузка пневмосистемы компрессора через дроссель.
Загрузка: С увеличением потребления воздуха, давление в пневмосети падает до минимального
установ-ленного предела, контроллер (2) перестает подачу сигнала на электромагнитный клапан
(3), прекращается подача давления на заслонку (5). Всасывание воздуха возобновляется.
Компрессор переходит в режим 100% нагрузки.
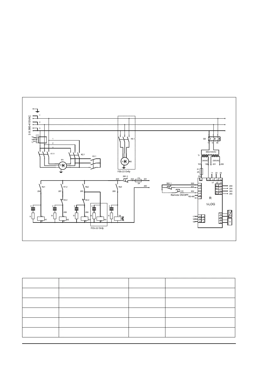
2.6 Схема электрическая принципиальная
Рис. 2.6.1. Схема электрическая F05.. – F22.., FR05.. – FR22.., FRD05.. – FRD22.*
*Для компрессоров серии RDX с рефрижераторным осушителем смотрите документацию на сам
осушитель..
Основные компоненты
К1, K2, К3, К4 Контактор YA Клапан электромагнитный
М1 Электродвигатель R Блок управления
Т Датчик температуры I/P Датчик давления
SB Кнопка экстренной остановки CT1 Трансформатор тока
F1, F2 Предохранитель TR Трансформатор
М2 Электродвигатель вентилятора QS Выключатель автоматический

Related product manuals