EasyManua.ls Logo

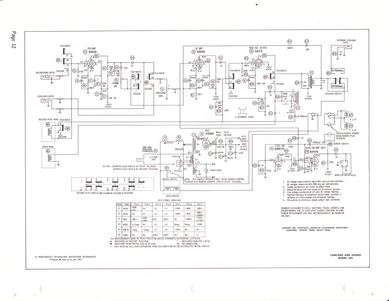
CONCORD 105 - Schematic Diagram

CONCORD 105
12 pages
Print Icon
To Previous Page IconTo Previous Page
To Previous Page IconTo Previous Page
Loading...
o
-
la
o
r(,
ag
z
<il
ol
-v
5=
I
z
o
(J
dF
..
=
d.
F
z(J
u
A--
<z_
OO1
e.
--
*50
OUJi_
+4 z.'
=3d
v7c)e
Sob
=z=
UJ
(J!!
L
O
z
o
=
a
z.
O
(J
u
-
F
2
uio
za-
r-
O!?
.<.=
4.va
uoz
;U
-u^
6aU
oaa
CL!
-
^+oa
-oY<
E'-
>'
E==
9z==
-
o.^
zd-=
ooE
uu?
esil
==E
22-
!JU=
==*
lIe
v
tr
ul
I
v
v,
z6
o3
Fd
<r
F
o.q
zv
oU
6'
eE
<a
2;
(r
F.
vr,
o
FI
L'^
l&
o
F
o
x
o-
z
o
2*t
E
<o^ s
EE=
E
\ZL
89H U
,,6>
)^
g?l
E?
:F(;
J
*5,n
Up
NHH
-t
56= iE
F..,
F
(J
==2
6:
rnF>
zO
,ri=g
-fi
Jo<
vl
3s9
6a
o9<
f=
FFg
,W
aZE
g'
figg
="?
;EF' eZ
fraz=
6e
=2,4)
E
a44vt
4
=**x=
lrJ
J
(J
F
o-
LLI
c)
lrJ
E
&,
o
F
z.
o
=
u,
14,
\z
U
o-
Ay
JO
z,-
u.
UJ
F
X
u
J
q,
q.G--i
Ee 3€a*E
E€
g
Ee* :l
(,jrL_(r<E(J
si.Ep!e.EE
c
E€ c-
J.4E
EEES*
E
E 3
EE:€i-Ee R
E: e
s=
E:
=.
€E EE;
AgS
E
U
q;-c* >
E
I L
o
!
o
-
c'F
a dE
eE HEE
ggEEE*:g
;;gEeEE:
oo
oo.
@
=r
>-
-
EEx
a
\o
=
o-
=
6
z,
-t
Ld
lrJ
J
a
E
-@
io
J
IIJ
iE
:
\C)
@
@
Hl,'
>>
16o
F{ O.)
I
is@
c{
(tl
@
E
@
o
F
o-
=rl}
og2
).-:-
OE
o.=
rB
E
:-E
ts
ilcoi O
a.r,
+!J
I
@
5p
@
o
(fr
(rl
@
=Ed.
;i6
@
E3
=S
=e
.'I
o
o-J
=$
=@
O
e.
Ez
o=
O=
u
t/)
FO
oo-
=
UI
sb
rr,
=
-
=3
:F
J>'
zoc
.J
ollE
lFg
'lo
=
l-=
ILU
l=c
J2*
-_
z.
F6
u
..
(J
r!
(-'
F-
O=
6-
E
J
F
o
J
d
x
q
a
o
=
o
h
o
d.
>o
t3
o- oa
tt
OG
gc
.o
rt\
\SN
,-x
H3
e
P
@
\>>
c)<)
oo'
Fa
r.r,
cc
AR
NN
@
at1
le. Z
to
=
tE
o
r=
s
iu
d
lZ
u
IE
O
lo
Z
l<
IF
-r/,
u
d.
ej
z
_o
OF
=
ttl
EP
ol-
o- -o
=&.
>-o
<O
JU
l=*
z.z
65
oU
yW
HH
a6
gn tt1
Li
r!
m2
EF-
*=
n&
t\
(J
o-
o=B
qn
o
E
O
c'.'
ftl
e.
v.
()
6
J
OO_
jg"
@F
@
o
.o
o
o.
a
o\
a
:Z
@
F
=
o-
z
&.
J
=
)
@
C)
u-l
e.
-
(J
E
=
L!
F
o
E
U
E
A
E/
EI
nl
^-A\
(?J
N
--------------.4
rzrltlqtrrnr
\9
EE+@
/A
\E/
U
o
=
(9
.+{
v''-\./
Z
(
)=
^\_/^
Cta
GJ
-!J
=
I
(-)
E
=
|t't
u,
U
:z
LlJ
o-
a
c\I
GT
6=
c
<t
6
-*-ri
lE rc.
I E le
lR;rE
+l lr
(9
ra)
-ll''
-
@
tq-t
s:l
=l
oo
+oo.
*a
H
[o ]]
l&
't?
,^
>ts
\z
iR R
lHs.
ru
t?
t6
l>
l3
lo-
o
Page
Lz

Related product manuals