EasyManua.ls Logo

Cooper Security 768R - Page 111

Cooper Security 768R
156 pages
Print Icon
To Next Page IconTo Next Page
To Next Page IconTo Next Page
To Previous Page IconTo Previous Page
To Previous Page IconTo Previous Page
Loading...
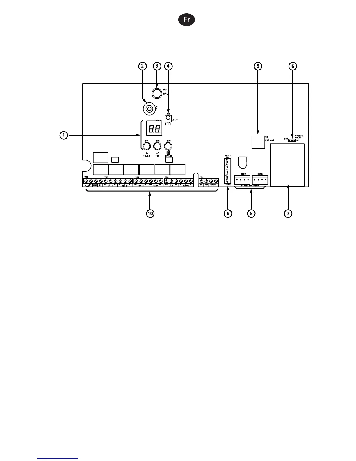
U &DUDFWpULVWLTXHVWHFKQLTXHV
 
LQGLTXpOHPSODFHPHQWGHVFRQQHFWHXUVHWGHV
FRPPDQGHV
 &RPPDQGHVGHSURJUDPPDWLRQ  %X]]HUGpOLYUDQWXQH
VLJQDOLVDWLRQSLp]R
 &RQWDFWGDXWRSURWHFWLRQGX
FDSRW
 &DSWHXUGDSSUHQWLVVDJH
LQIUDURXJH
 &RQQHFWHXU%1&SRXU
UDFFRUGHPHQWGXQHDQWHQQH
H[WHUQH
 &DYDOLHUGHVpOHFWLRQDQWHQQH
LQWHUQHDQWHQQHH[WHUQH
 5pFHSWHXUUDGLR  &RQQHFWHXUPRGXOHGH[WHQVLRQ
U
 &RQQHFWHXUFDUWHGH[WHQVLRQj
UHODLV(85
 &RQQHFWHXUFLUFXLWLPSULPp
SULQFLSDO
)LJXUH&LUFXLWLPSULPpFRPPDQGHVHWFRQQHFWHXUV

Related product manuals