EasyManua.ls Logo

Corghi A 2001 S - Page 44

Corghi A 2001 S
60 pages
Print Icon
To Next Page IconTo Next Page
To Next Page IconTo Next Page
To Previous Page IconTo Previous Page
To Previous Page IconTo Previous Page
Loading...
A 2019 - A 2010 - A 2001 S
Cod. 446739_1
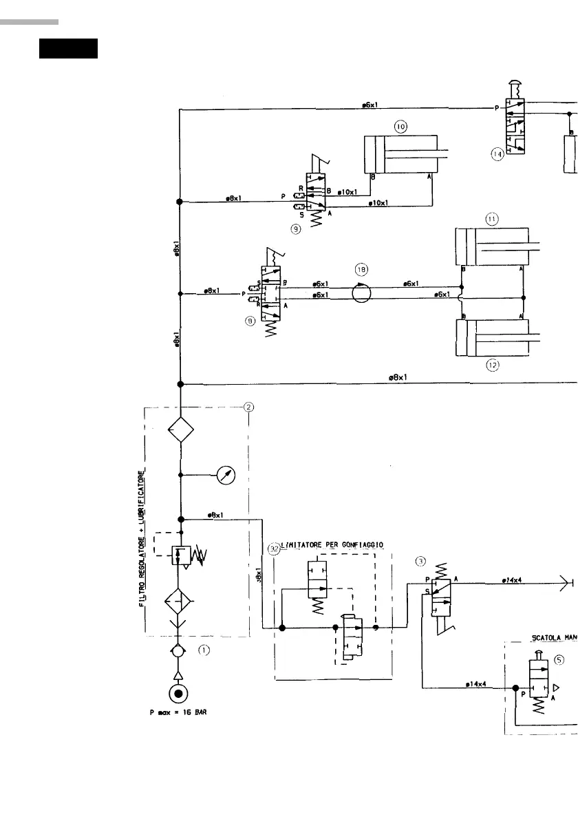
Fig. 29

Related product manuals