EasyManua.ls Logo

COX A12013G - Page 32

COX A12013G
54 pages
Print Icon
To Next Page IconTo Next Page
To Next Page IconTo Next Page
To Previous Page IconTo Previous Page
To Previous Page IconTo Previous Page
Loading...
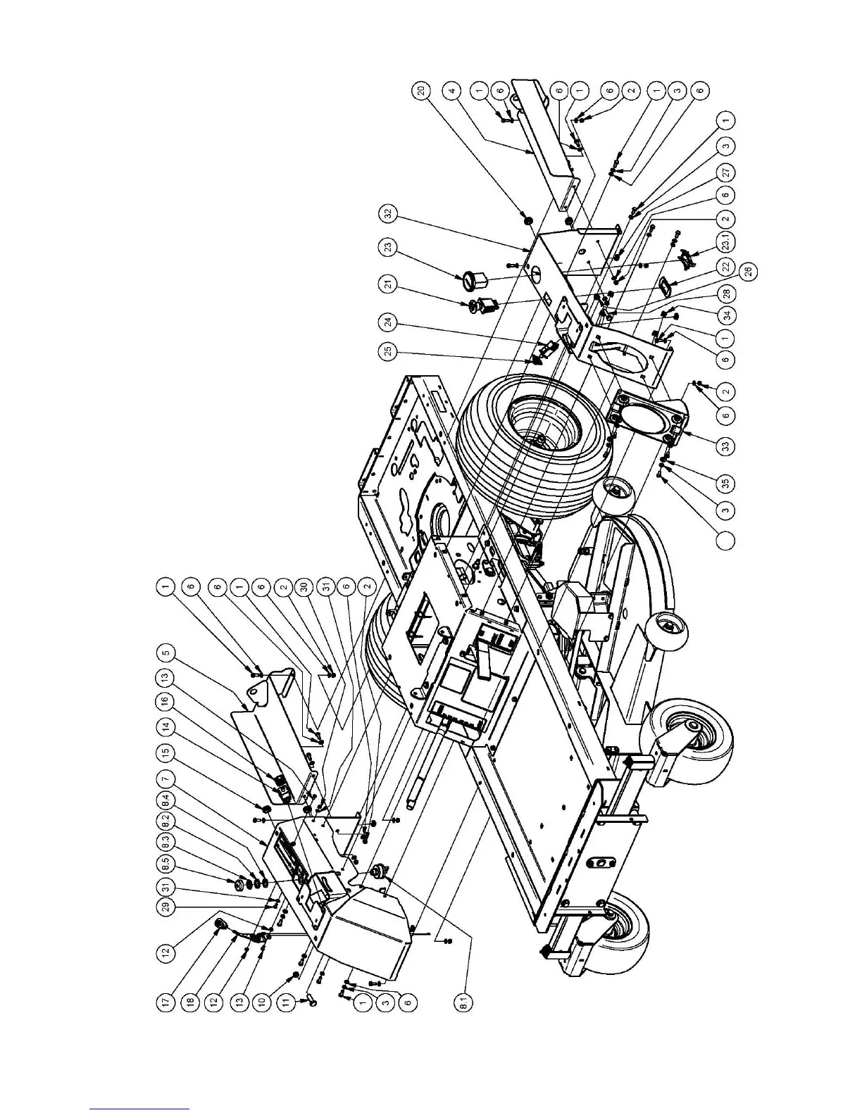
26 July 2013 Page 32 Cruiser Model A12013G & A16013G
CONSOLE COMPONENTS 16HP HONDA, 22HP,24HP B&S
36

Related product manuals