EasyManua.ls Logo

COX A12013G - Page 34

COX A12013G
54 pages
Print Icon
To Next Page IconTo Next Page
To Next Page IconTo Next Page
To Previous Page IconTo Previous Page
To Previous Page IconTo Previous Page
Loading...
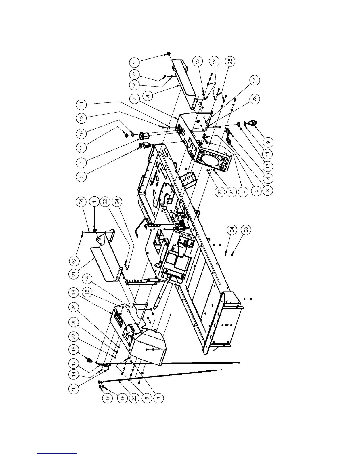
26 July 2013 Page 34 Cruiser Model A12013G & A16013G
CONSOLE COMPONENTS 23HP HONDA

Related product manuals