EasyManua.ls Logo

COX A12013G - Page 50

COX A12013G
54 pages
Print Icon
To Next Page IconTo Next Page
To Next Page IconTo Next Page
To Previous Page IconTo Previous Page
To Previous Page IconTo Previous Page
Loading...
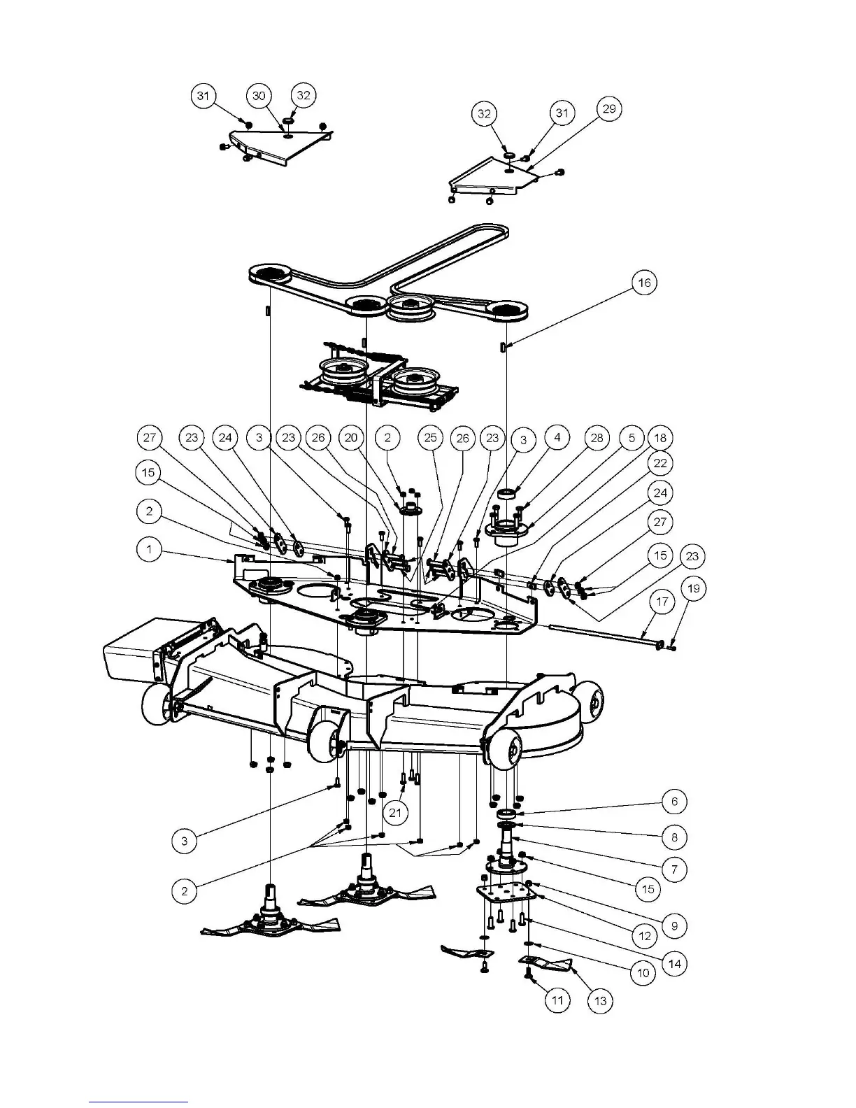
26 July 2013 Page 50 Cruiser Model A12013G & A16013G
CUTTER DECK COMPONENTS view 1 (48” ONLY)

Related product manuals