EasyManua.ls Logo

COX LAWNBOSS - Page 36

COX LAWNBOSS
54 pages
Print Icon
To Next Page IconTo Next Page
To Next Page IconTo Next Page
To Previous Page IconTo Previous Page
To Previous Page IconTo Previous Page
Loading...
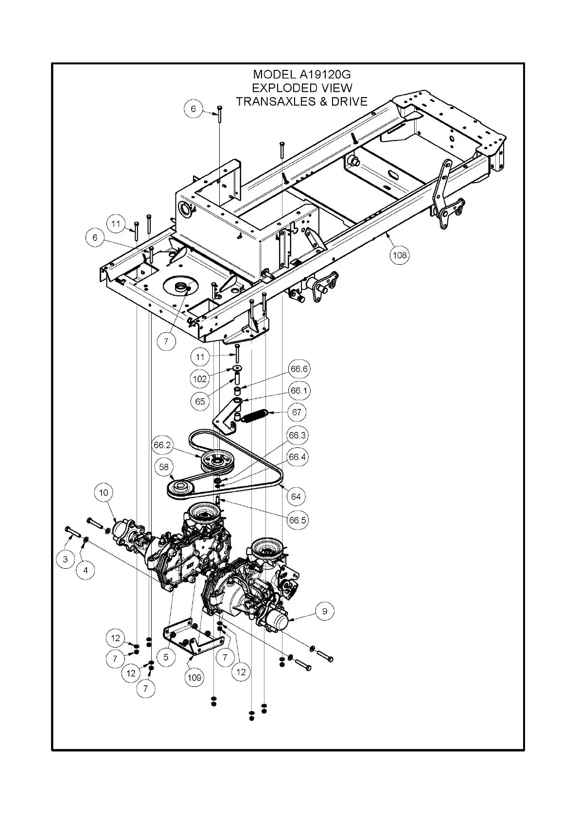
5 October 2021 Page 36 LawnBoss ZTR Model A19120G

Other manuals for COX LAWNBOSS

Related product manuals