EasyManua.ls Logo

Craftsman 917.251521 - Page 31

Craftsman 917.251521
60 pages
Print Icon
To Next Page IconTo Next Page
To Next Page IconTo Next Page
To Previous Page IconTo Previous Page
To Previous Page IconTo Previous Page
Loading...
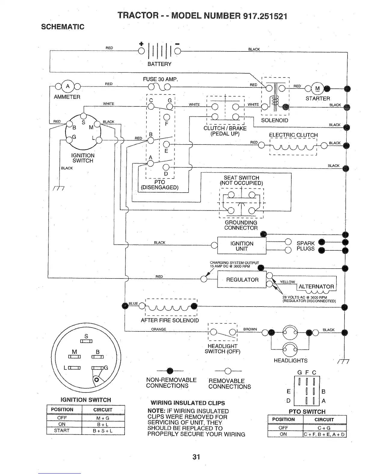
SCHEMATIC
TRACTOR - -MODEL NUMBER 917.251521
RED
BATTERY
aLACK
___ RED ,
t AMMET_ WHITE
t IGNITION_
SWITCH
g
..... J
PTO
(DISENGAGED)
. RED _ RED
r---1L .... ,
__, , i_ , STARTER
....... _ SOLENOID
.n__;JEL BLACK,
CLUTCH / B
(PEDAL UP) ELECTRIC CLUTCH
I.......... I
_ .......... J
SEAT SWITCH
(NOT OCCUPIED)
i
u .... ..... |
J
J
BLACK
GROUNDING
CONNECTOR
IGNITIONUNIT
BLACK
RED
PLUGS
CHARGING SYSTEM!OUTPUT
15 AMP DC @ 3600 RPM _.
_ REGULATOR
I
........... I
I [
AFTER FIRE SOLENOID
ORANGE
O
NON-REMOVABLE
CONNECTIONS
1 f
HEADLIGHT
SWITCH (OFF)
¸
:_8 VOLTS AC @ 3600 RPM
{REGULATOR DISCONNECTED}
HEADLIGHTS _ 7
REMOVABLE
CONNECTIONS
_GNITiON SWITCH
POSITION CIRCUIT
OFF M + G
ON B+L
START B:+ s+ L
WIRING iNSULATED CLIPS
NOTE: IF WIRING INSULATED
CLIPS WERE REMOVED FOR
SERVICING OF UNIT, THEY
SHOULD BE REPLACED TO
PROPERLY SECURE YOUR WIRING
GFC
E UDIB
o ! n|A
PTO SWITCH
POSITION CIRCUIT
OFF C + G
ON F,B+E,A+D!
3!

Related product manuals