EasyManua.ls Logo

Craftsman 917.251521 - Page 46

Craftsman 917.251521
60 pages
Print Icon
To Next Page IconTo Next Page
To Next Page IconTo Next Page
To Previous Page IconTo Previous Page
To Previous Page IconTo Previous Page
Loading...
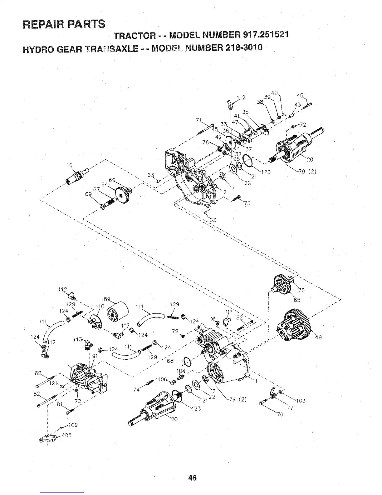
REPAIR PARTS
TRACTOR - - MODEL NUMBER 917.251521
HYDRO GEAR TRA_ISAXLE - - MOD_,£ NUMBER 218-3010
71
_72
I
73
(2)
46

Related product manuals