EasyManua.ls Logo

Craftsman 917.251521 - Page 50

Craftsman 917.251521
60 pages
Print Icon
To Next Page IconTo Next Page
To Next Page IconTo Next Page
To Previous Page IconTo Previous Page
To Previous Page IconTo Previous Page
Loading...
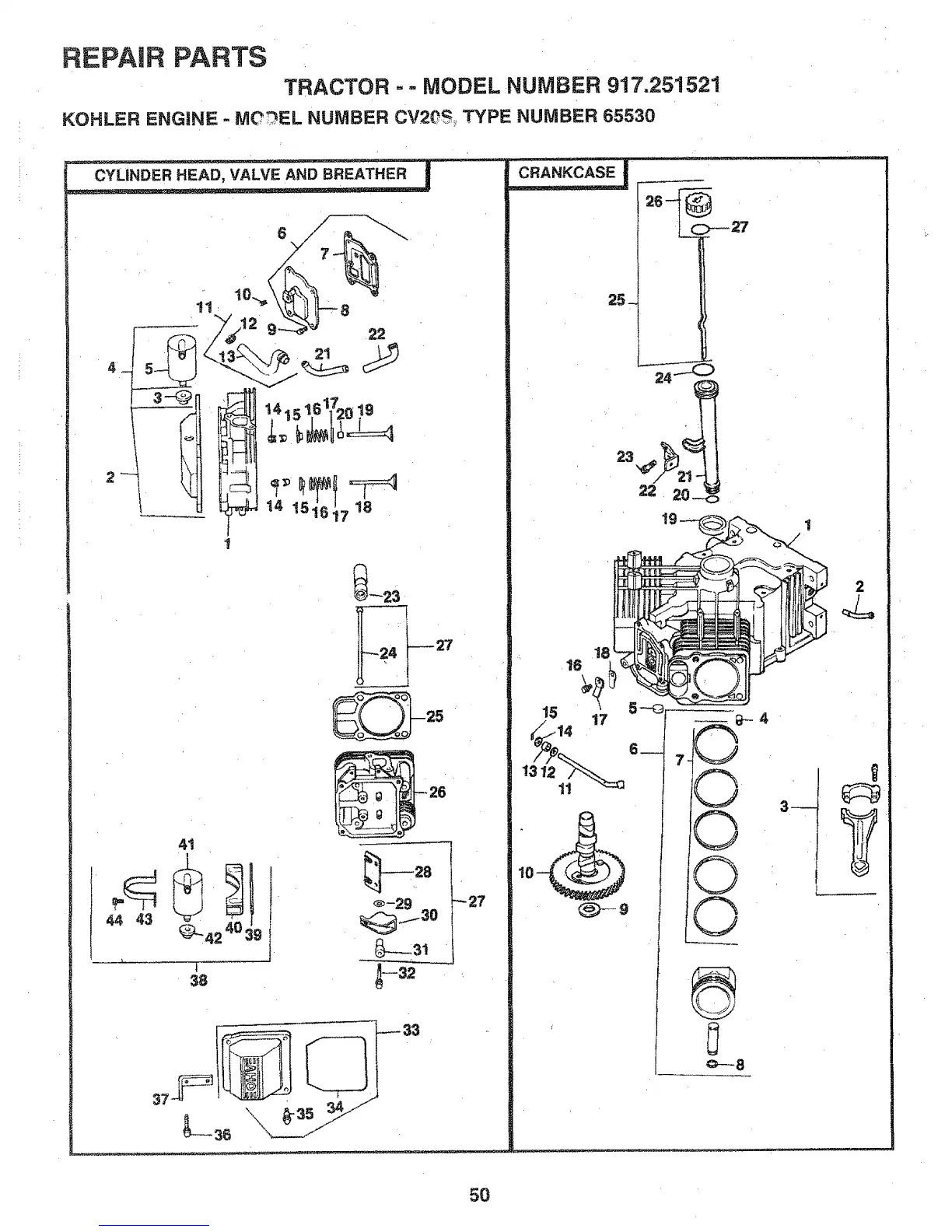
REPAIR PARTS
TRACTOR - .. MODEL NUMBER 917.251521
KOHLER ENGINE - MO_EL NUMBER CV2OS_ TYPE NUMBER 65530
22
41
44 43
_-42 39
l
38
_23
_27
CRANKCASE
2
5O

Related product manuals