EasyManua.ls Logo

Craftsman 917.257621 - Page 29

Craftsman 917.257621
56 pages
Print Icon
To Next Page IconTo Next Page
To Next Page IconTo Next Page
To Previous Page IconTo Previous Page
To Previous Page IconTo Previous Page
Loading...
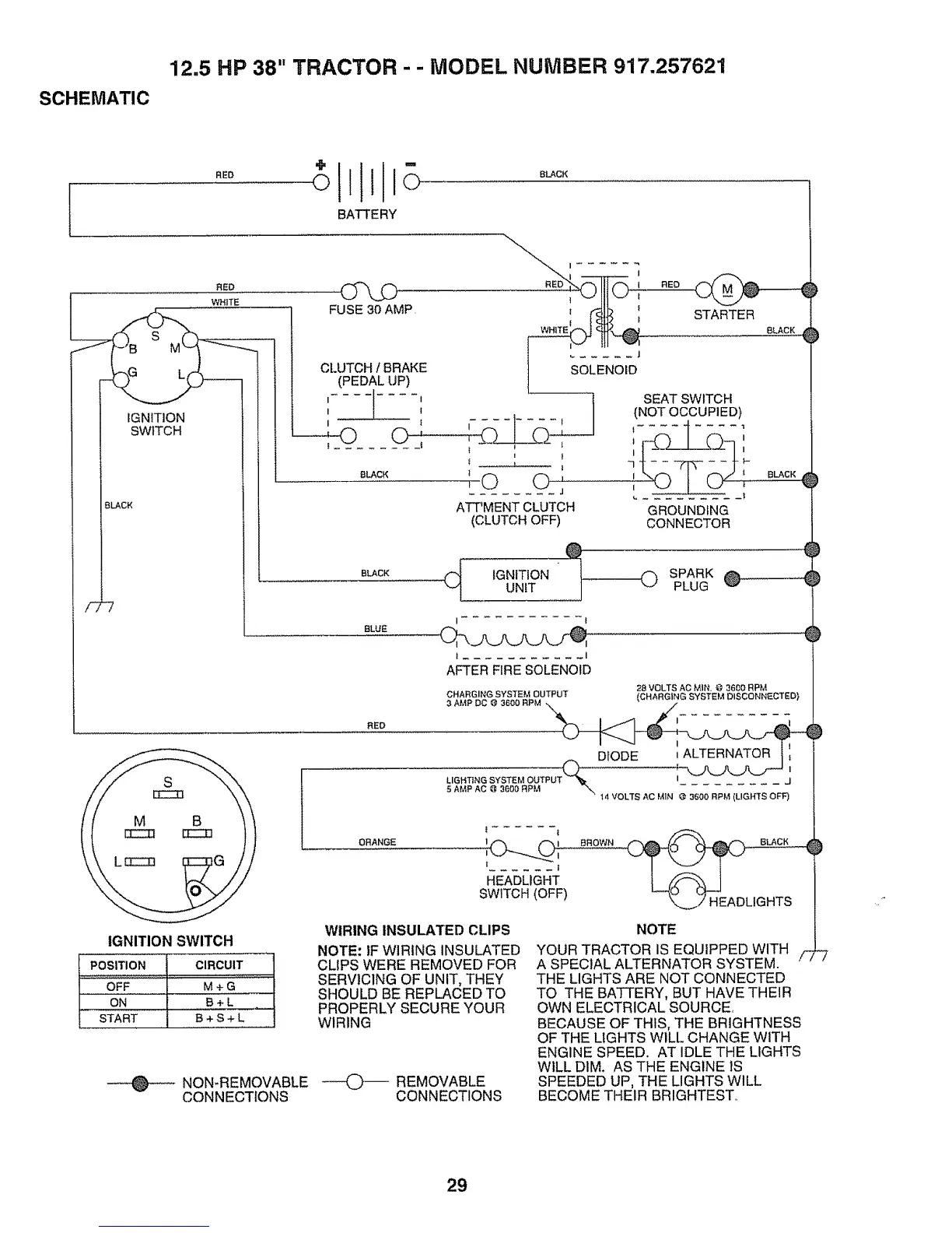
12.5 HP 38" TRACTOR - - MODEL NUMBER 917.257621
SCHEMATIC
BATTERY
RED
WHITE
IGNITION
SWITCH
BLACK
-7
FUSE 30 AMP. _t _!_ I
{ t STARTER
8LACK
..... J
CLUTCH / BRAKE SOLENOID
(PEDAL UP)
I .... l ] SEAT SWITCH
I _ / (NOT OCCUPIED)
I ' I I - 1 | .... J ....
t t I
B_cK _ _ _ , I\r-_ F r'J _ BLACK
......... f
ATT'MENT CLUTCH GROUNDING
(CLUTCH OFF) CONNECTOR
BLACK
JGNmON O SPARK®
UNtT PLUG
BLUE
I I
t ........... I
AFTER FIRE SOLENOID
CHARGING SYSTEM OUTPUT
3 AMP DC @ 3600 RPM
28 VOLTS AC MIN @ 3600 RPM
(CHARGING SYSTEM DISCONNECTED}
RED
I
DIODE 1ALTERNATOR
LIGHTING SYSTEM OUTPUT I j
5 AMP AC @3600 RPM "_, .........
t4 VOLTS AC MIN @ 3600 RPM (LIGHTS OFF)
ORANGE 1 I
l
...... |
HEADLIGHT
SWITCH (OFF)
BROWN
IGNITION SWITCH
POSITION CIRCUIT
OFF M+ G
ON B+L
START B + S + L
WIRING INSULATED CLIPS
NOTE: IF WIRING INSULATED
CLIPS WERE REMOVED FOR
SERVICING OF UNIT, THEY
SHOULD BE REPLACED TO
PROPERLY SECURE YOUR
WIRING
NON-REMOVABLE ---4_) _ REMOVABLE
CONNECTIONS CONNECTIONS
p
NOTE
YOUR TRACTOR IS EQUIPPED WITH
A SPECIAL ALTERNATOR SYSTEM. f
THE LIGHTS ARE NOT CONNECTED
TO THE BATTERY, BUT HAVE THEIR
OWN ELECTRICAL SOURCE,
BECAUSE OF THIS, THE BRIGHTNESS
OF THE LIGHTS WILL CHANGE WITH
ENGINE SPEED. AT IDLE THE LIGHTS
WILL DIM. AS THE ENGINE IS
SPEEDED UP, THE LIGHTS WILL
BECOME THEIR BRIGHTEST..
29

Related product manuals