EasyManua.ls Logo

Craftsman 917.273421 - Mower Deck

Craftsman 917.273421
64 pages
Print Icon
To Next Page IconTo Next Page
To Next Page IconTo Next Page
To Previous Page IconTo Previous Page
To Previous Page IconTo Previous Page
Loading...
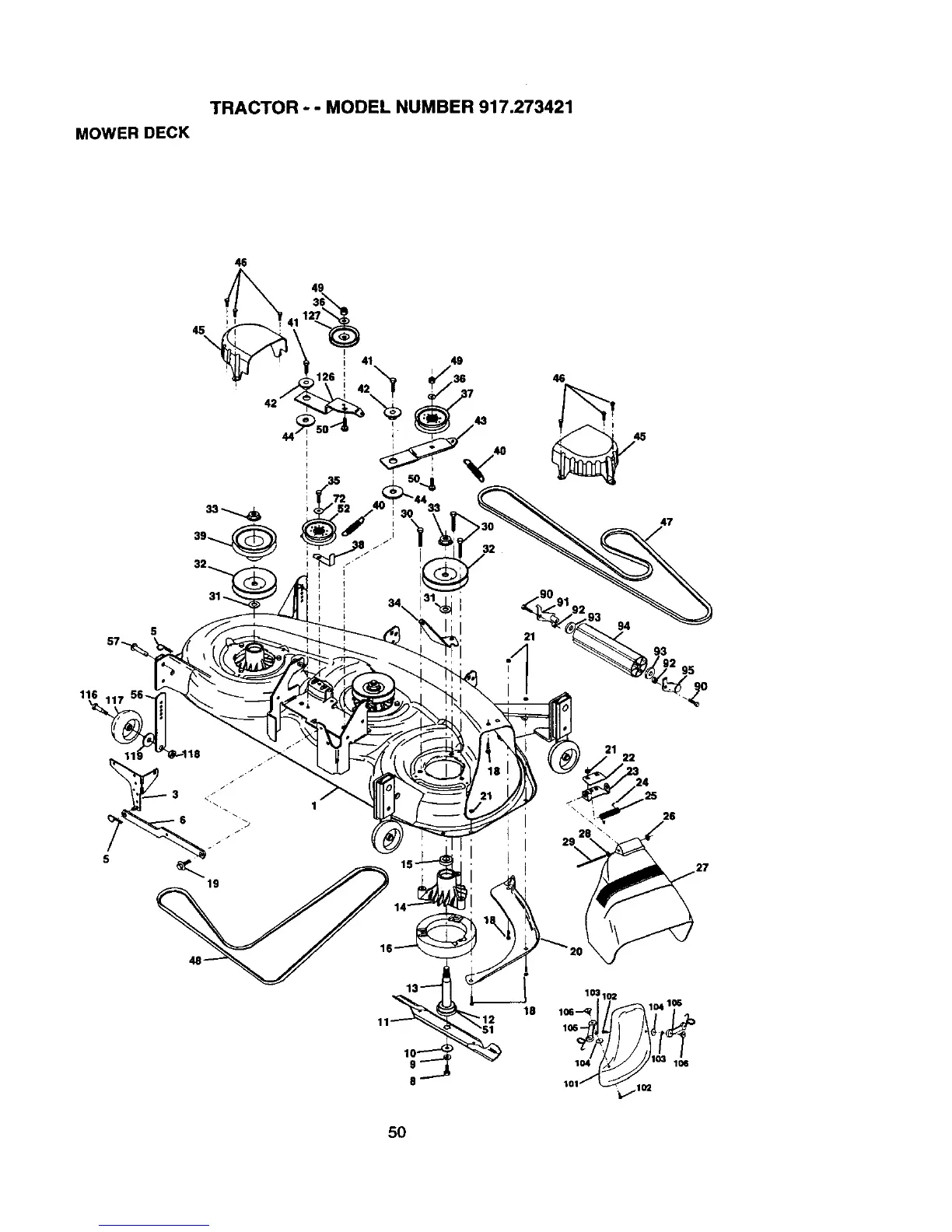
TRACTOR - - MODEL NUMBER 917.273421
MOWER DECK
46
45
\
49
13%
126 i 41 i 49 7 46
42
47
31 -.
116
95
19
22
26
103192
18 11oe-4_ 1°4ms
lOl
5O

Related product manuals