EasyManua.ls Logo

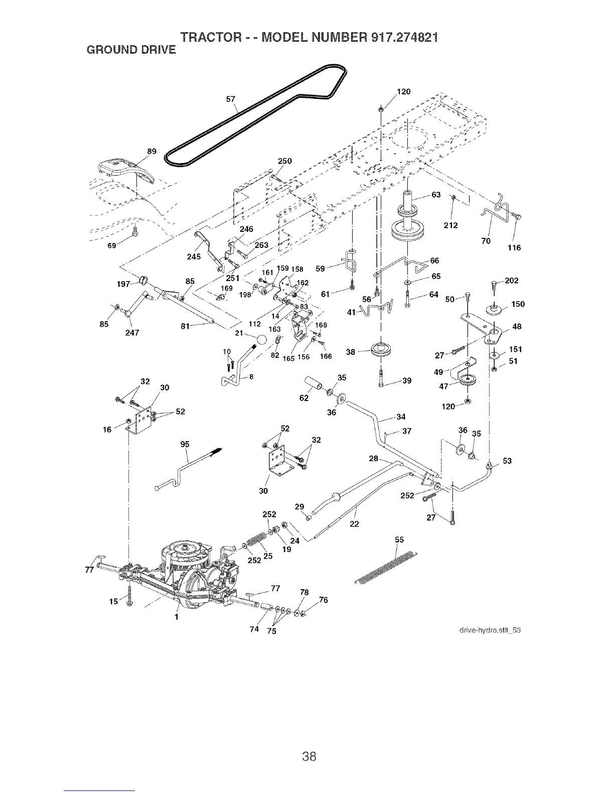
Craftsman 917.274821 - Ground Drive; Ground Drive Component Diagram

Craftsman 917.274821
56 pages
Print Icon
To Next Page IconTo Next Page
To Next Page IconTo Next Page
To Previous Page IconTo Previous Page
To Previous Page IconTo Previous Page
Loading...
TRACTOR - - MODEL NUMBER 917.274821
GROUNDDRIVE
32
/3o
95
116
52 37 36 35
32
53
30
252
29
19
22
/ i
55
74 75
78
drive-hydro,stlt 53
$8

Related product manuals