EasyManua.ls Logo

Craftsman 917.376721 - Page 38

Craftsman 917.376721
44 pages
Print Icon
To Next Page IconTo Next Page
To Next Page IconTo Next Page
To Previous Page IconTo Previous Page
To Previous Page IconTo Previous Page
Loading...
Co
OO
\
©
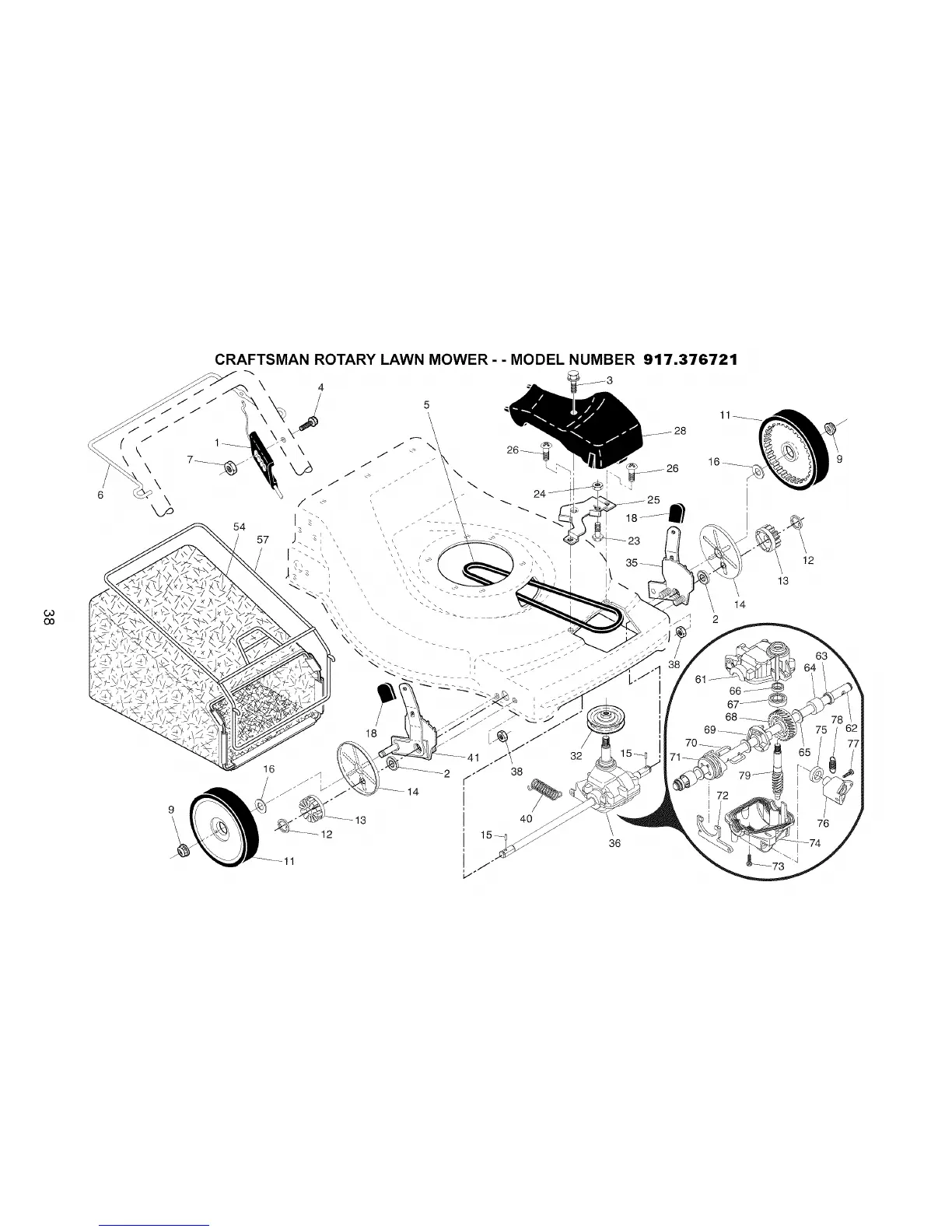
CRAFTSMAN ROTARY LAWN MOWER- - MODEL NUMBER 917.376721
\ 4
J 5
11
54
57
36
14
13
12

Related product manuals