EasyManua.ls Logo

Craftsman 917.378521 - Page 40

Craftsman 917.378521
48 pages
Print Icon
To Next Page IconTo Next Page
To Next Page IconTo Next Page
To Previous Page IconTo Previous Page
To Previous Page IconTo Previous Page
Loading...
59
12
10
49
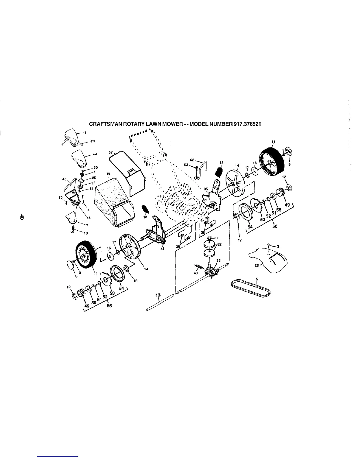
CRAFTSMAN ROTARY LAWN MOWER - - MODEL NUMBER 917.378521
57
14
16
11
17
53
55
12
14
40
36
49
8
12
12

Related product manuals