EasyManua.ls Logo

CROSS-RC Demon SR4C - Page 16

CROSS-RC Demon SR4C
32 pages
Print Icon
To Next Page IconTo Next Page
To Next Page IconTo Next Page
To Previous Page IconTo Previous Page
To Previous Page IconTo Previous Page
Loading...
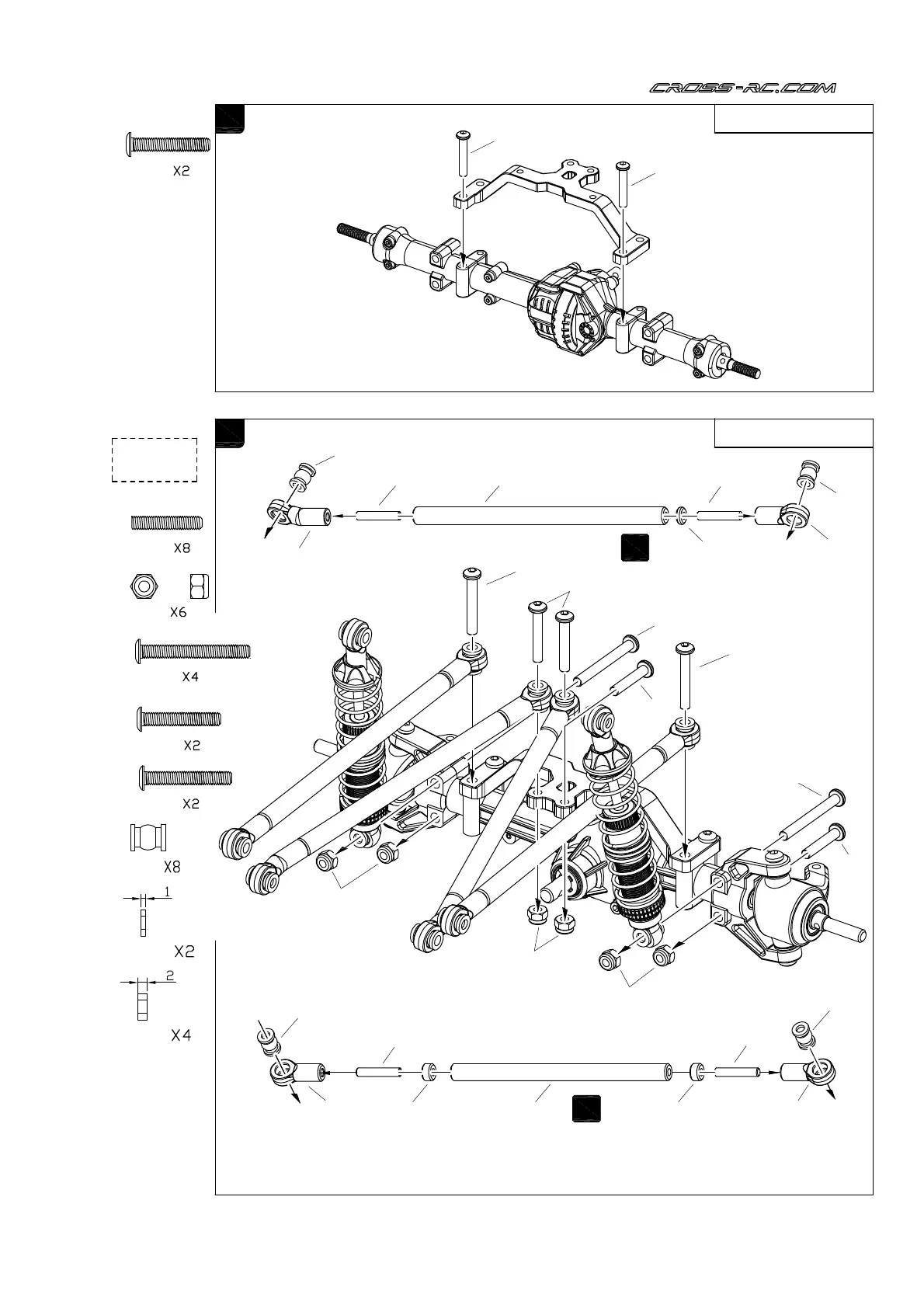
SR4(A)/(B)
11211
M3x18
14
11211
11211
16
M3x16
11407
11407
41143
11407
41336
41168
x2
200103
41336
200103
11407
11407
4116141161
41125
x2
M3
12203
12203
12203
12203
11214
M3x25
11214
11214
11214
11214
11211
M3x18
11211
41336
SR4(A)/(B)
11212
M3x20
11212
11212
15
BAG(Q)
41161
41168
93mm
80.5mm
93mm
93mm
80.5mm
80.5mm
41336
200102
41336
200103

Related product manuals