EasyManua.ls Logo

Crown CSHB60-90XE - Page 15

Crown CSHB60-90XE
16 pages
Print Icon
To Next Page IconTo Next Page
To Next Page IconTo Next Page
To Previous Page IconTo Previous Page
To Previous Page IconTo Previous Page
Loading...
All installations and services must be performed by qualified service personnel.
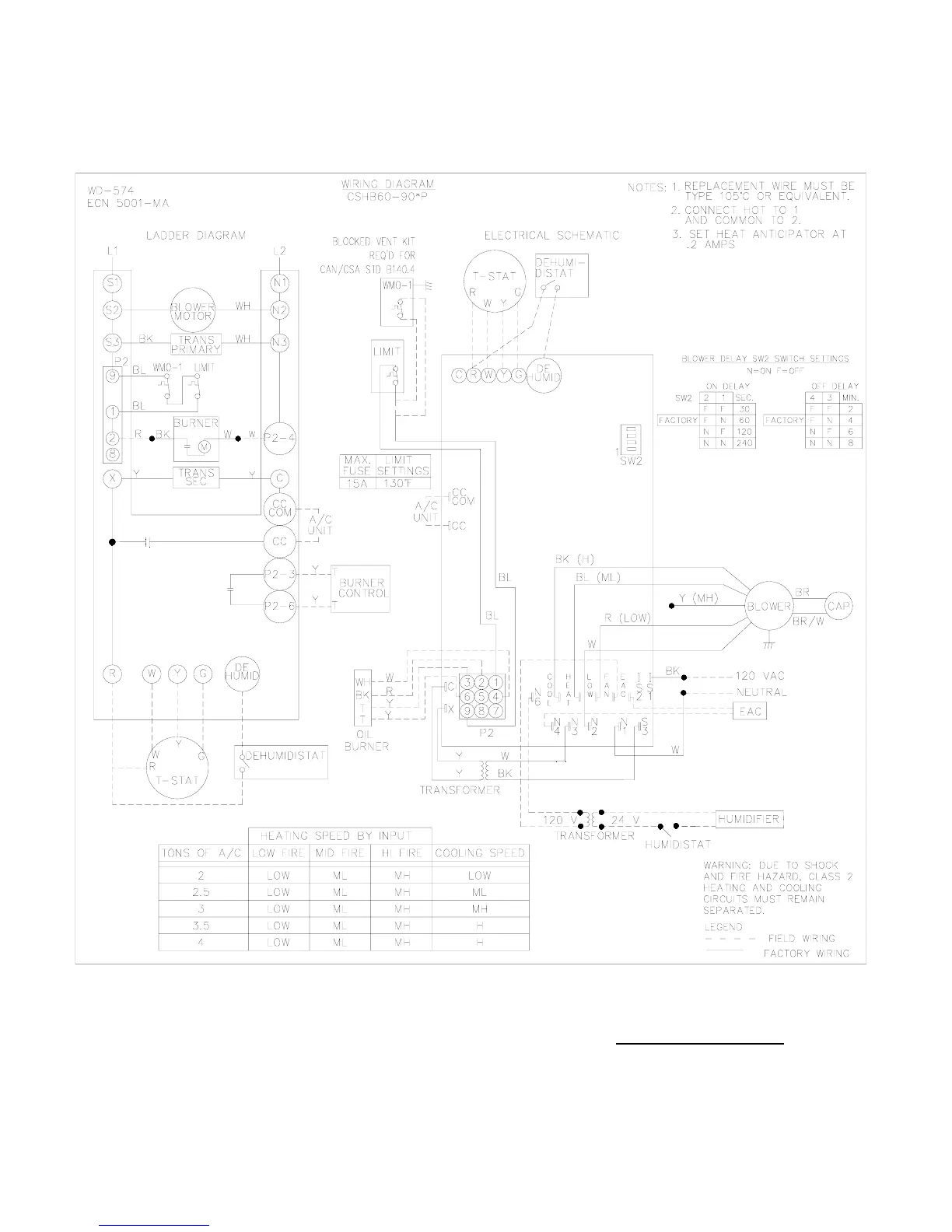
APPENDIX-B Wiring Diagrams
BLOWER SPEED TAPS
COOL = A/C Tap
HEAT = Heating Tap
LOW = Constant air or Dehumifier
12