EasyManua.ls Logo

Crown CT44051 - Page 13

Crown CT44051
35 pages
Print Icon
To Next Page IconTo Next Page
To Next Page IconTo Next Page
To Previous Page IconTo Previous Page
To Previous Page IconTo Previous Page
Loading...
Retroiluminación y función de iluminación
Sustituya las baterías y los fusibles para evitar golpes elíbes o lesiones personales
causadas por lecturas erróneas. Cuando aparezca el símbolo en la pantalla del instrumento,
sustituya la batería inmediatamente. Utilice sólo el fusible especificado y el fusible instantáneo.
Para evitar descargas eléctricas o lesiones personales, apague la tapa de la batería y reemplácela
por una nueva antes de encenderla. La sonda de prueba se ha desconectado del circuito de
medición.
Siga los pasos que se indican a continuación para reemplazar la batería:
1. Apague la alimentación del instrumento.
2. Extraiga todas las sondas de prueba de la toma de entrada.
3. Utilice un destornillador para aflojar los tornillos que fijan la batería.
4. Retire la tapa de la batería.
5. Retire la batería vieja o el fusible dañado.
6. Sustituya las nuevas baterías o fusibles nuevos.
7. Instale la cubierta de las baterías y cierre los tornillos.
Accessories
1. Una instrucción
2. Un par de sondas de prueba
3. Tres piezas de baterías AAA
Prueba de NCV
Gire el interruptor giratorio al engranaje de NCV y coloque la parte superior del medidor cerca
del conductor. Si el medidor detecta voltaje de CA, el zumbador sonará una alarma.
Notas:
1.Aún cuando no hay ninguna indicación de que la tensión pueda existir todavía, no confíe en
detectores de voltaje sin contacto para determinar si hay una operación de detección de voltaje
en el conductor, que puede verse afectada por factores como la profundidad del zócalo, el
espesor del aislamiento y el tipo, etc.
2. Cuando se introduce la tensión de entrada al instrumento, debido a la detección En presencia
de tensión, la luz indicadora de detección de voltaje puede encenderse.
3. Las fuentes de interferencia en el entorno externo, como linternas, motores, etc., pueden
desencadenar accidentalmente la detección de voltaje sin contacto.
Transistor de medición
No aplique más de 36V CC o voltaje de CA al terminal común y al terminal hFE para
evitar descargas eléctricas o daños en el instrumento.
1. Gire el interruptor giratorio al engranaje de hFE.
2. Determine si el transistor es de tipo NPN o PNP y, a continuación, inserte las tres patas del
transistor, por demás, en los orificios correspondientes de la base de prueba de hFE.
3. El valor de similitud de hFE del transistor probado se lee desde la pantalla de cristal líquido.
Spanish
23
Spanish
24
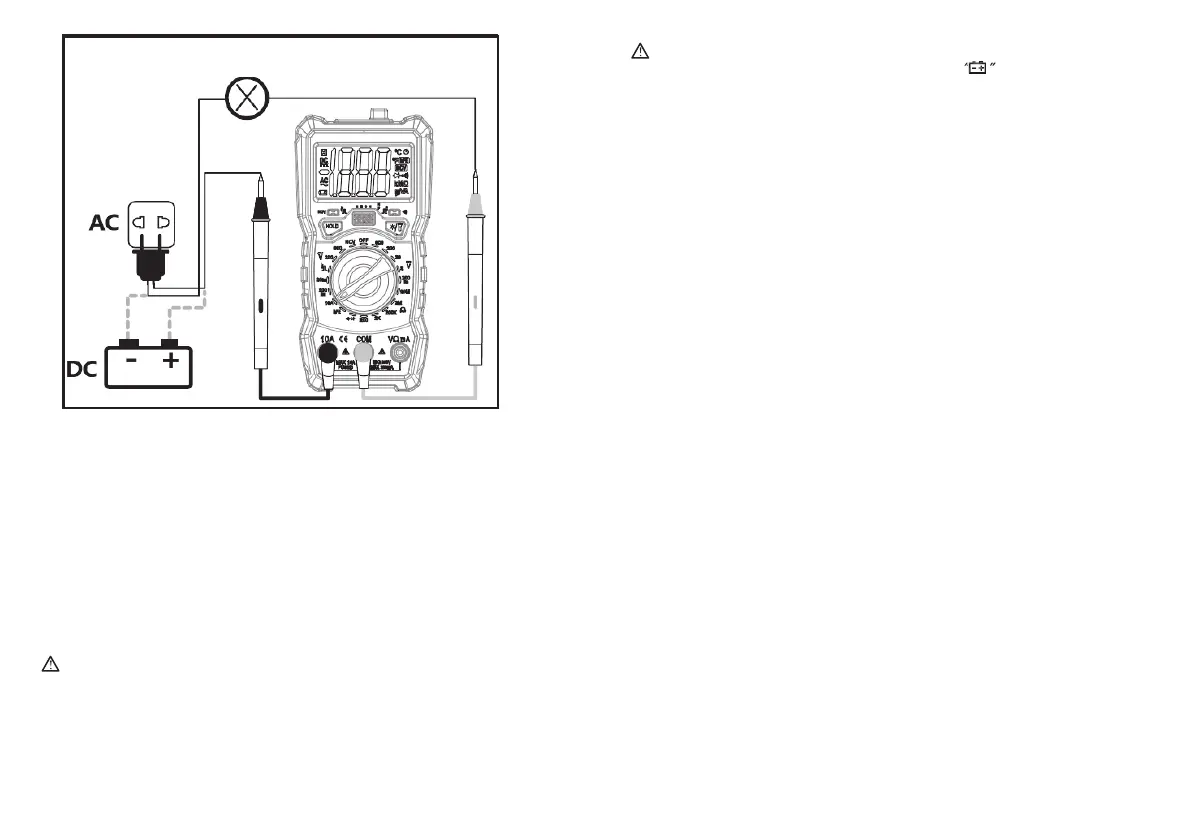
Roja Negra
La medición de
corriente necesita
cortar el circuito, se
recomienda utilizar el
medidor de
abrazadera para la
corriente.
Carga (todo el aparato eléctrico)

Related product manuals