EasyManua.ls Logo

DAEWOO ELECTRONICS AMI-316L - Page 16

DAEWOO ELECTRONICS AMI-316L
25 pages
Print Icon
To Next Page IconTo Next Page
To Next Page IconTo Next Page
To Previous Page IconTo Previous Page
To Previous Page IconTo Previous Page
Loading...
-
16
-
u
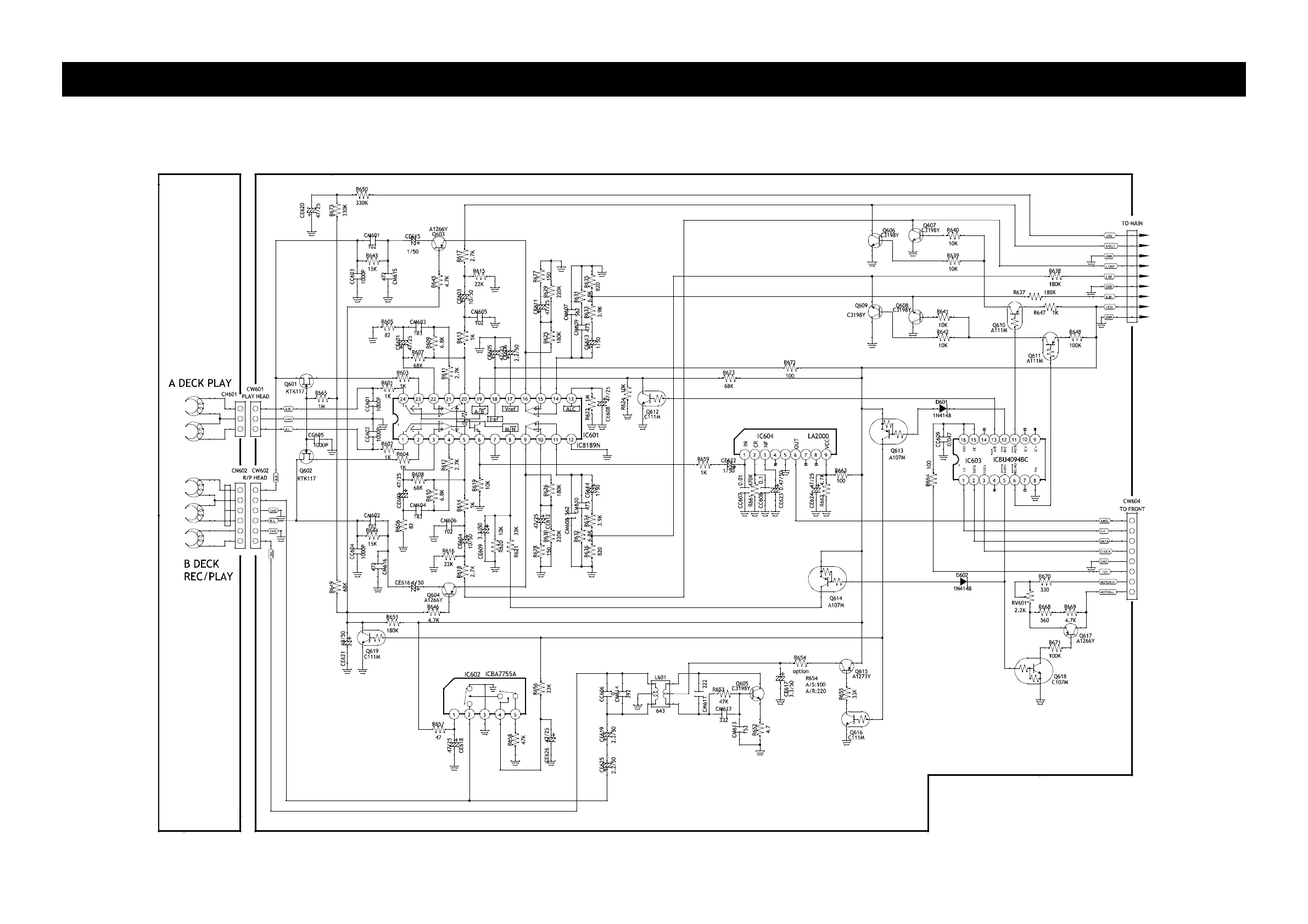
TAPE
w
AMI -316L / 316R /317L / 317R