EasyManua.ls Logo

DAEWOO ELECTRONICS FRN-U20IC - FRS;FRN-U20 BC Wiring Diagrams

DAEWOO ELECTRONICS FRN-U20IC
83 pages
Print Icon
To Next Page IconTo Next Page
To Next Page IconTo Next Page
To Previous Page IconTo Previous Page
To Previous Page IconTo Previous Page
Loading...
34
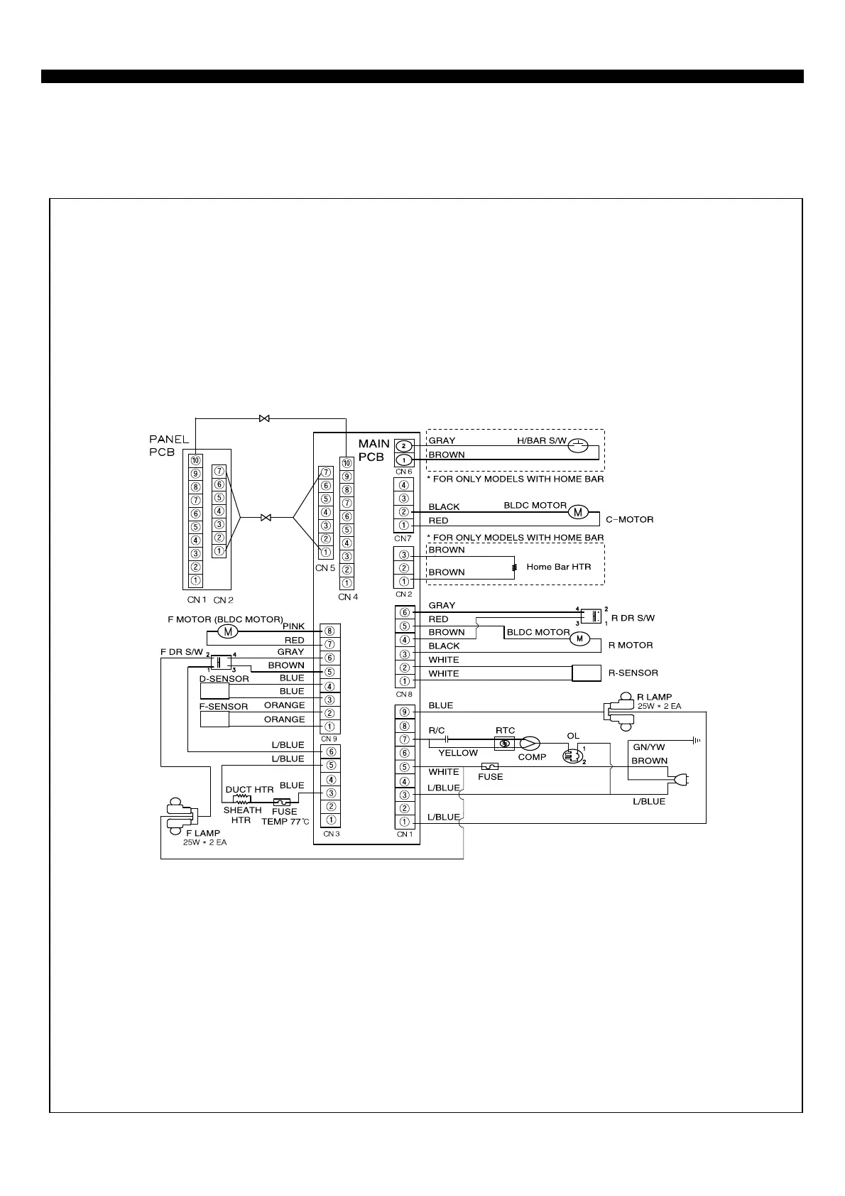
5-3. FRS-U20BC (R-134a, R/C) Type

Related product manuals