EasyManua.ls Logo

DAF CF85 Series - Page 141

DAF CF85 Series
504 pages
Print Icon
To Next Page IconTo Next Page
To Next Page IconTo Next Page
To Previous Page IconTo Previous Page
To Previous Page IconTo Previous Page
Loading...
3
CF65/75/85 series General
GEARBOX - PNEUMATIC SECTION
1-19
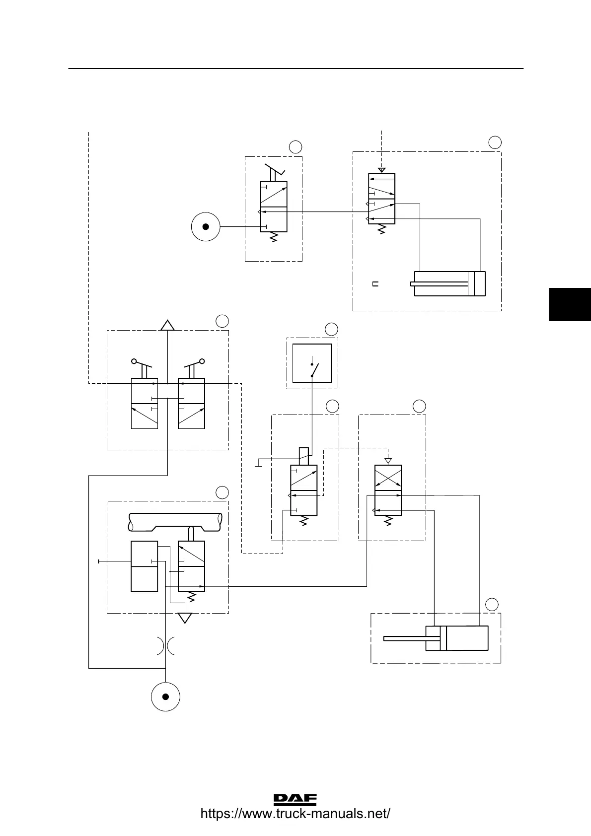
Pneumatic diagram of 16 S Overdrive
Version CF75/85, production date < 2003-21
N
V
1
21
22
1
22 21
GV
GP
H
L
H
L
H
L
4
1
21
22
V300421
1
5
4
36
26
HL
25
2
+
1
2
8
7
LH
1
41
H
L
4
200337
https://www.truck-manuals.net/

Other manuals for DAF CF85 Series

Related product manuals