EasyManua.ls Logo

DAF CF85 Series - Page 148

DAF CF85 Series
504 pages
Print Icon
To Next Page IconTo Next Page
To Next Page IconTo Next Page
To Previous Page IconTo Previous Page
To Previous Page IconTo Previous Page
Loading...
3
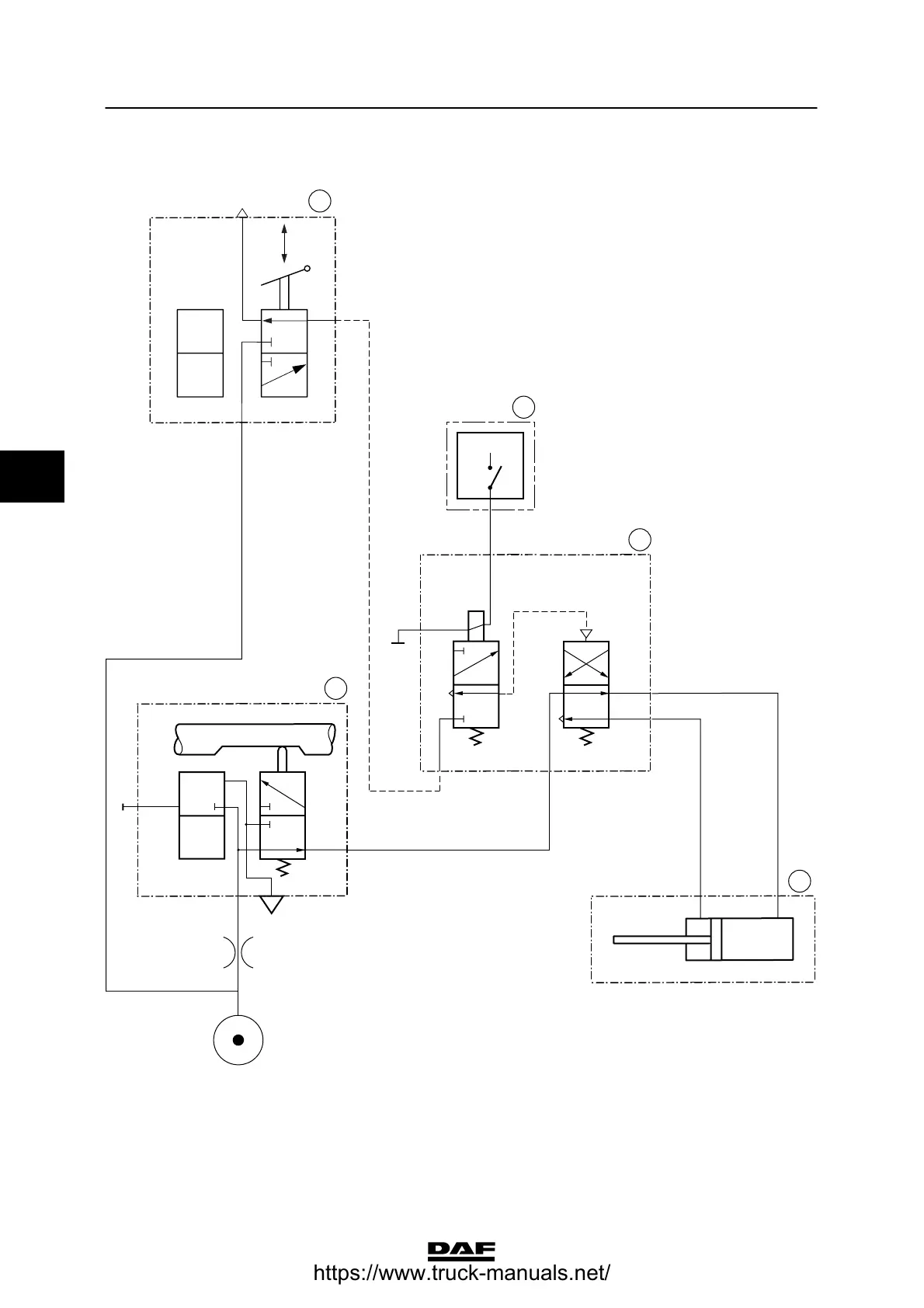
GEARBOX - PNEUMATIC SECTION
General CF65/75/85 series
1-26
Version CF75, production date 2003-21
N
V
1
21
22
H
L
4
1
21
22
V300880
1
4
3
26
HL
25
2
+
6
H
L
GP
A
4
200337
https://www.truck-manuals.net/

Other manuals for DAF CF85 Series

Related product manuals